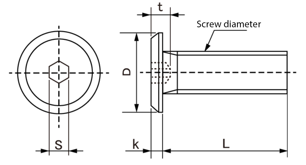
00-A600 Hexagon Socket Slim Head

Model: 00-A600

Dia range:M2~M8
Length range:3~50

Iron (or standard), Stainless Steel (303, 304, XM7,…), SUS316L.
Plain, Trivalent zinc cr+3 color white, Trivalent zinc cr+3 color black, Nickel,…

Screw Designation (d)Standard Dimension (D)Standard Dimension (k)St (MAX)
Standard DimensionToleranceStandard DimensionTolerance
M24.0+0
-0.5
0.5±0.11.30.6
M2.5 ※15.0+0
-0.5
0.6±0.11.30.7
M2.65.0+0
-0.5
0.6±0.11.30.8
M36.0+0
-0.5
0.8±0.11.51.1
M48.0+0
-0.5
0.9±0.12.01.5
M59.0+0
-0.5
1.0±0.12.51.8
M610.0+0
-0.5
1.2±0.13.02.2
M8 ※213.0+0
-0.5
1.5±0.14.04.2

※1 M2.5 is made of SUS material only.
※2 M8 is made of SUS316L material only.

REQUEST QUOTATION

PAYMENT

payment-methods

LINK

koueigroup-banner1
koueigroup-banner1

Return Top