10-A304 (+) Slim Head P=4

Model: 10-A304

Dia range:M3~M4
Length range:6~40

Iron (or standard).
Trivalent zinc cr+3 color white, Trivalent zinc cr+3 color black, Nickel.

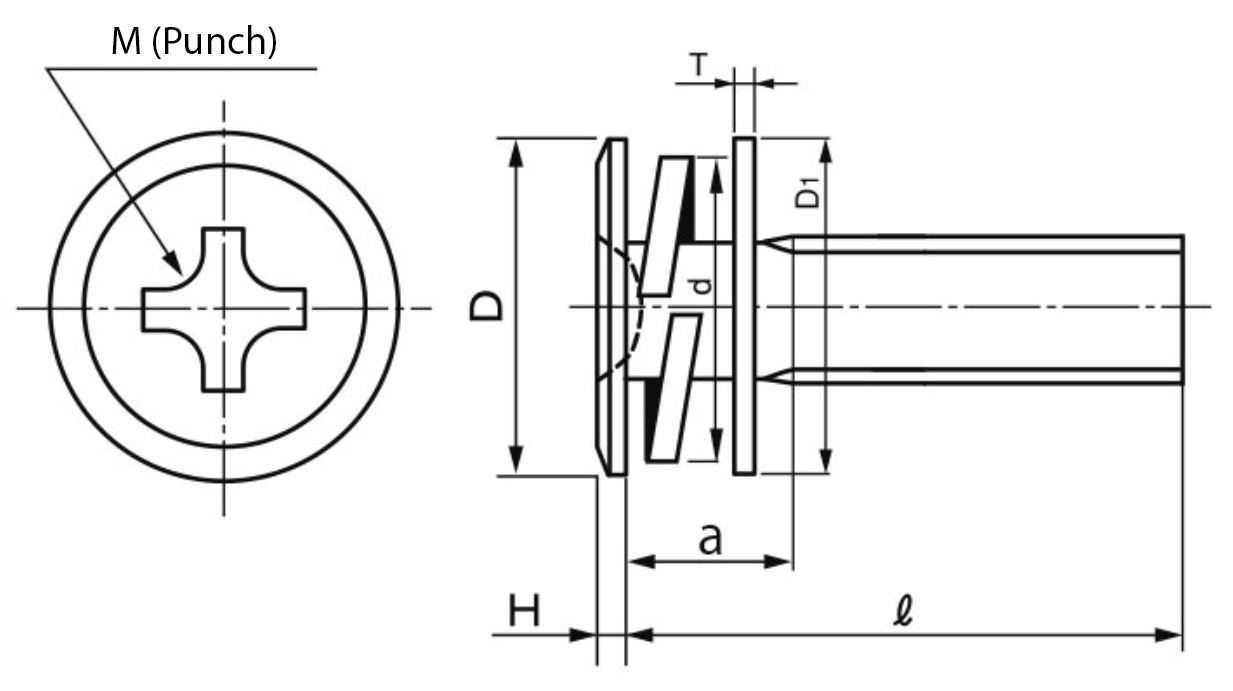
Thread SizeCross Hole NumberDHD1 × TdMin. Plate Thickness
Standard SizeToleranceStandard SizeToleranceMaxMax
M316.000.8±0.16 × 0.55.52.10.9
M428.0-0.50.9±0.18 × 0.57.02.81.30

REQUEST QUOTATION

PAYMENT

payment-methods

LINK

koueigroup-banner1
koueigroup-banner1

Return Top