SUNCO
30-0A30 Suncotite + S Type Slim Head

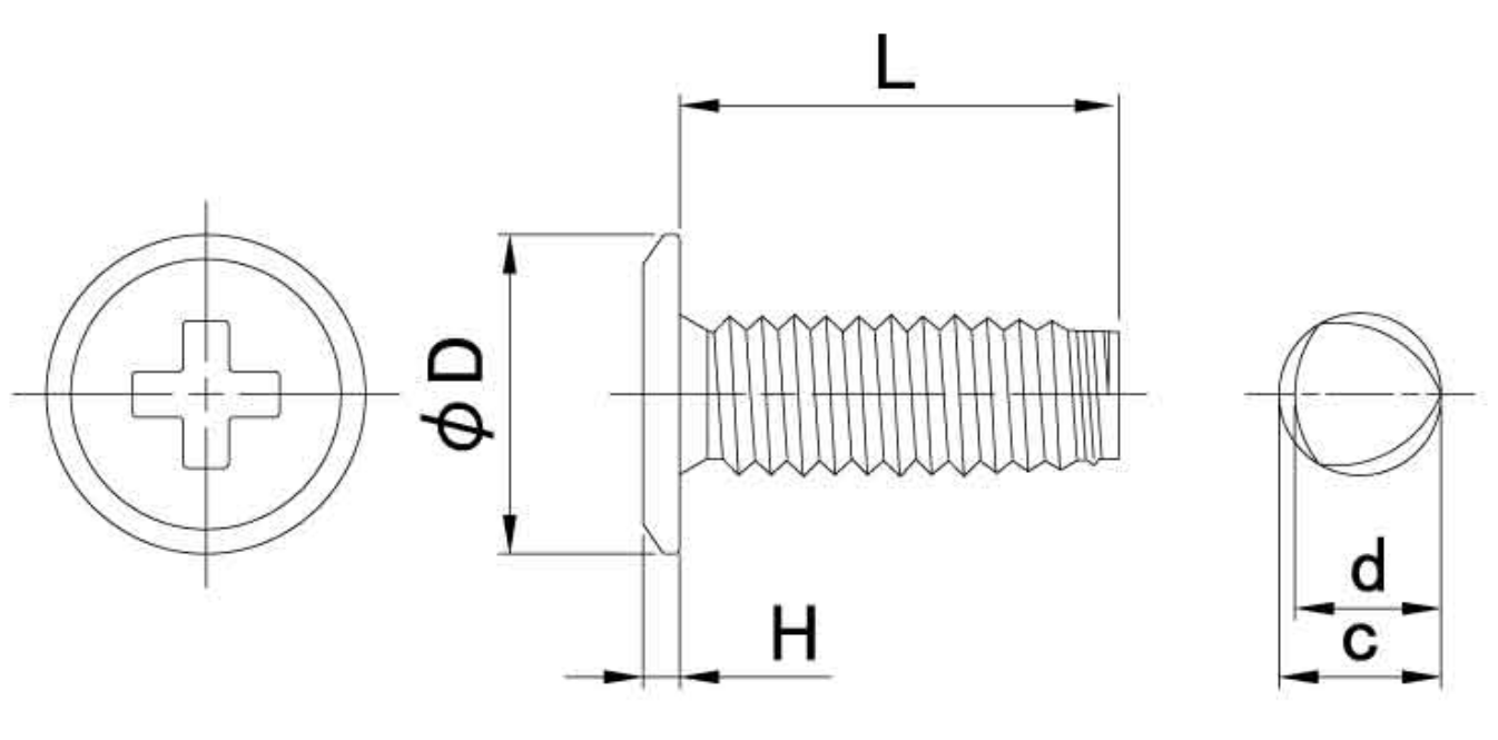
Model: 30-0A30
Dia range:M3~M4
Length range:6~10
Iron (or standard), Stainless steel (303, 304,…).
Plain, Trivalent zinc cr+3 color white, Trivalent zinc cr+3 color black,…

Unit: mm
| Nominal diameter | Head diameter (dk) | Head height (k) | Cross recess No. | Diameter | |||
|---|---|---|---|---|---|---|---|
| Basic dimension | Tolerance | Basic dimension | Tolerance | C dimension | D dimension | ||
| 3 | 6.0 | +0 -0.5 | 0.80 | ±0.10 | 1 | 2.96 〜3.04 | 2.86 〜2.94 |
| 4 | 8.0 | 0.90 | 2 | 3.98 〜4.06 | 3.84 〜3.92 | ||











