SUNCO
30-100W Suncotite + B Type PanWH

Model: 30-100W
Dia range:M2~M4
Length range:4~35
Iron (or standard), Stainless steel (303, 304,…).
Plain, Zinc blue cr6+, Zinc yellow cr6+, Trivalent zinc cr+3 color white,…

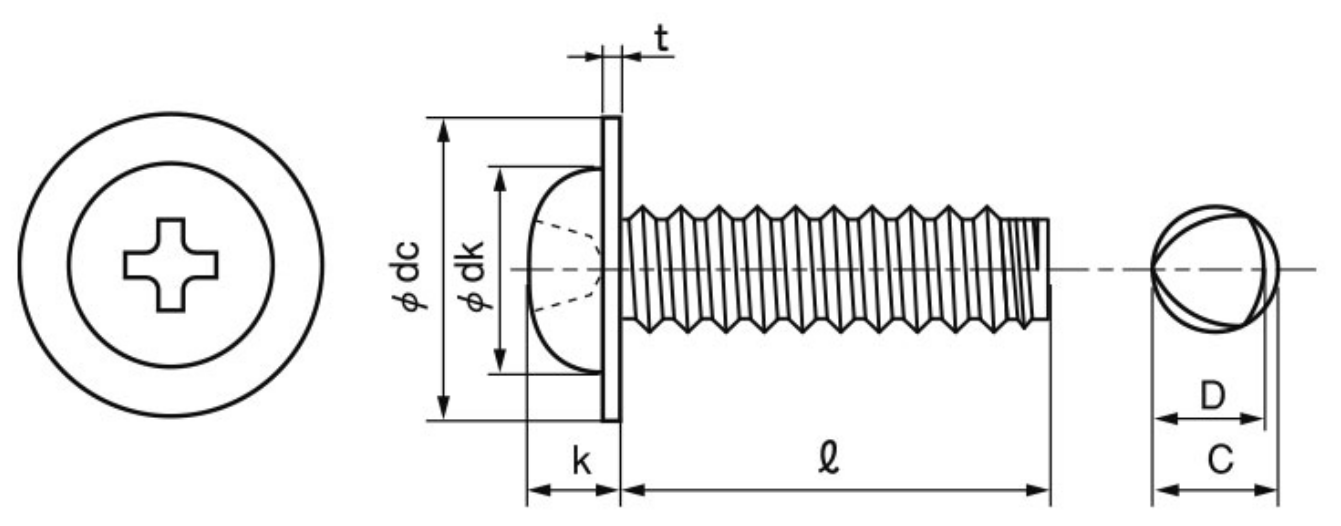
| Nominal diameter | Pitch (threads per inch) | dk | dc | k | t Approx. | Cross recess number | Screw diameter | ||||||
|---|---|---|---|---|---|---|---|---|---|---|---|---|---|
| Basic dimension | Tolerance | Basic dimension | Tolerance | Basic dimension | Tolerance | C | D | ||||||
| Max | Min | Max | Min | ||||||||||
| 2 | 40 | 3.5 | 0 -0.4 | 4.3 | 0 -0.4 | 1.7 | ±0.1 | 0.4 | 1 | 2.03 | 1.95 | 1.95 | 1.87 |
| 2.6 | 28 | 4.5 | 6.5 | 2.1 | 0.5 | 2.63 | 2.55 | 2.54 | 2.46 | ||||
| 3 | 24 | 5.5 | 0 -0.5 | 8.0 | 0 -0.5 | 2.2 | ±0.15 | 0.6 | 2 | 3.04 | 2.94 | 2.94 | 2.84 |
| 4 | 18 | 7.0 | 10.0 | 3.1 | 0.8 | 4.04 | 3.94 | 3.90 | 3.80 | ||||











