SUNCO
72-323C Totsupura P-Type CYL D=6

Model: 72-323C
Dia range:M3~M3
Length range:8~8
Iron (or standard).
Trivalent zinc cr3+ color white.

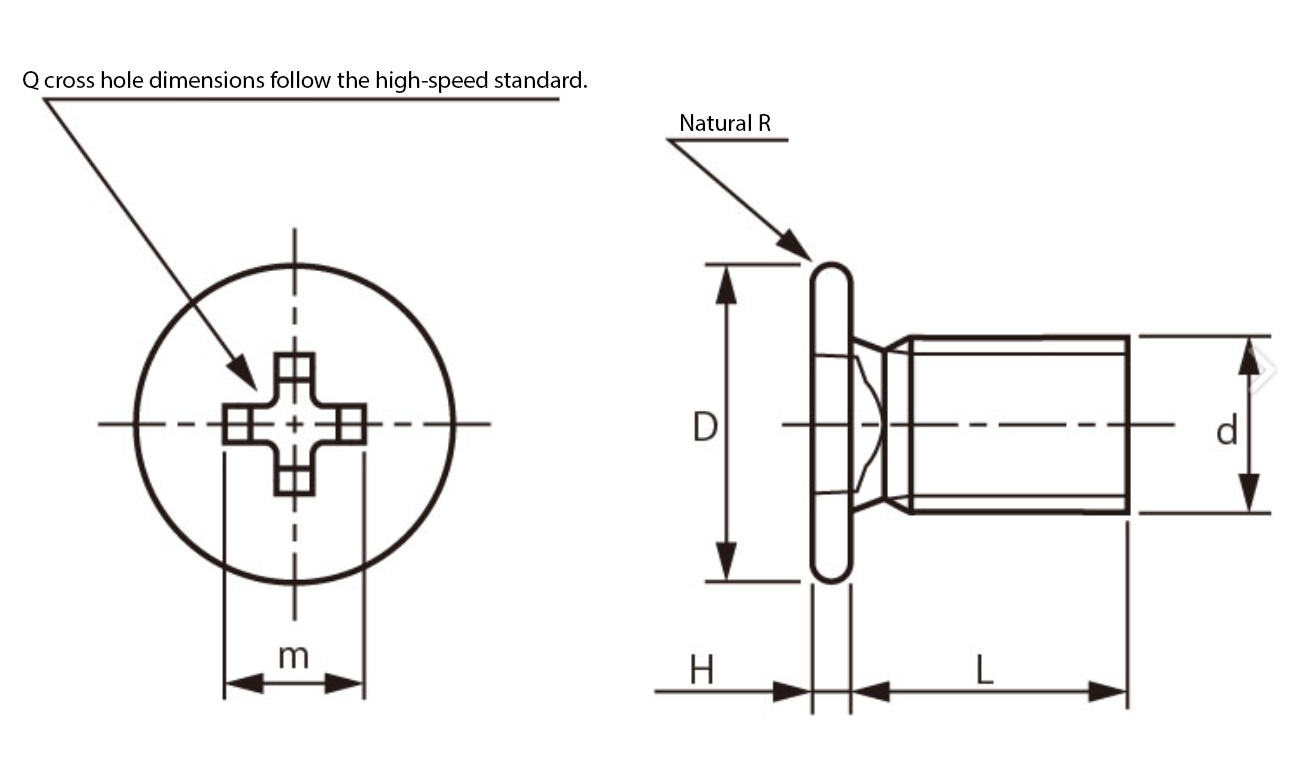
| Screw Designation (d) | D | H | L | Q | m | Top Rabbit Model Number ※ | |||
|---|---|---|---|---|---|---|---|---|---|
| Standard Dimension | Tolerance | Standard Dimension | Tolerance | Standard Dimension | Tolerance | ||||
| 3.0 | 6.0 | 0 -0.5 | 0.7 | ±0.15 | 6.0~12.0 | 0 -0.8 | 0.65~1.01 | (2.2) | THS4-20-60K |
※ Bit JIS #1 can also be used.











