CCS Inc.
CCS OPS-S20R Spot

Manufacturer: CCS Inc.
Model: OPS-S20R
Features
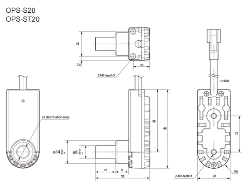
- This Light Unit emits red light and has a light-emitting surface diameter of 7 mm.
Specifications
| LED color | Red |
|---|---|
| Peak wavelength | 640 nm |
| Dimensions | 20 x 33 x 48 (W x D x H) |
| Input voltage | 12 VDC |
| Power consumption | 2.5 W |
| Vibration resistance | 10 to 55 Hz; amplitude 1.5 mm; 8 hours in each of the X, Y, and Z directions |
| Shock resistance | Approximately 10 G, 3 times in each of the X, Y, and Z directions |
| Conformed standards | EMC (2014/30/EU), RoHS (2011/65/EU, MIIT Order No.32) / EN 61326-1:2013 |
| Operating temperature and humidity | 0 to 40°C/35 to 85% RH (no condensation) |
| Storage temperature and humidity | -20 to 70°C/35 to 95% RH (no condensation) |
| Weight | 40 g |
| Material | Housing: ADC12, Lens: PC (UV-resistant) |
Dimensions (mm)












