CCS Inc.
CCS PF-A16048-4 High Power Strobe Control Unit

Manufacturer: CCS Inc.
Model: PF-A16048-4
Features
- Multi-functional Control Unit for High Power Strobe LED Light Units.
- Brightness can be adjusted through output voltage control.
- Parameter registration for individual inspections is possible.
Specifications
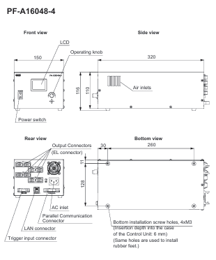
| Dimensions | W 150 mm X D 320 mm X H 116 mm |
|---|---|
| Applicable Light Unit (output ratings) | High Power Strobe Light Units from CCS |
| Number of channels | 4 channels |
| Drive method | Constant lighting |
| Lighting method | Strobe lighting |
| Intensity control method | Variable-voltage control, Strobe time control |
| Frequency | 50/60 Hz |
| Input voltage | 100 to 240 VAC (+10% -15%) |
| Power consumption | 140 VA typ. |
| Output voltage | High voltage range: 33 to 48 VDC Low voltage range: 12 to 48 VDC |
| Output current | Total for 4 channels: 172.8 A (21.6A/connector) |
| Inrush current | 17 A (at 100 VAC), 40.8 A (at 240 VAC) from a cold start |
| Ground leakage current | 3.5 mA max. (264 VAC, 60 Hz, with no load) |
| Insulation withstand voltage (input-FG) | 1500 VAC for one minute, Cutoff current: 10 mA 500 VDC, 20 MΩ min. |
| Conformed standards | CE, UKCA、RoHS |
| Operating temperature and humidity | Temperature: 0 to 40°C, Humidity: 20 to 85%RH (No condensation) |
| Storage temperature and humidity | Temperature: -20 to 60°C, Humidity: 20 to 85%RH (No condensation) |
| Cooling method | Forced cooling |
| Weight | 3,300 g max. |
| Material | Surface material (Steel sheet, Cover thickness: 1.6 mm, Chassis thickness: 1.0 mm, Black (half matte)) |
| Accessories | Instruction Guide, 2-m-long 3-prong AC power cord with ground terminal |
| Program | [Sample Program] Sample programs are available. See the Software Tools tab. |
Dimensions (mm)












