CCS Inc.
CCS R60-C Filters

Manufacturer: CCS Inc.
Model: R60-C
Features
- Sharp-cut filter installed in front of a lens.
- Blocks the light of 600 nm or shorter and transmits the longer wavelengths.
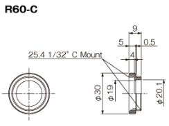
- Compatible with C-mount.
Specifications
| Dimensions | Outer diameter 30 mm, Inner diameter 20.1 mm, Height 9 mm |
|---|---|
| Screw hole diam. x Screw pitch | For C-mount attachment |
| Operating temperature and humidity | Temperature: 0 to 40°C, Humidity: 20 to 85%RH (no condensation) |
| Storage temperature and humidity | Temperature: -20 to 60°C, Humidity: 20 to 85%RH (no condensation) |
| Weight | 10 g max. |
Dimensions (mm)












