Daikoken Heat Co.
Daikoken Heat CRX.CRN Series Corner Nozzle

Manufacturer: Daikoken Heat Co., Ltd.
Model:CRX.CRN Series
Features
- The CRX Series is a nozzle specifically for high-pressure air (compressors, etc.).
- The CRN Series is a nozzle for high-pressure blowers. It offers stable performance from low wind speeds up to 160 m/s.
- This nozzle can be connected to a hot air generator and used in high-temperature environments.
- This series allows for the production of custom products tailored to specific workpiece shapes.
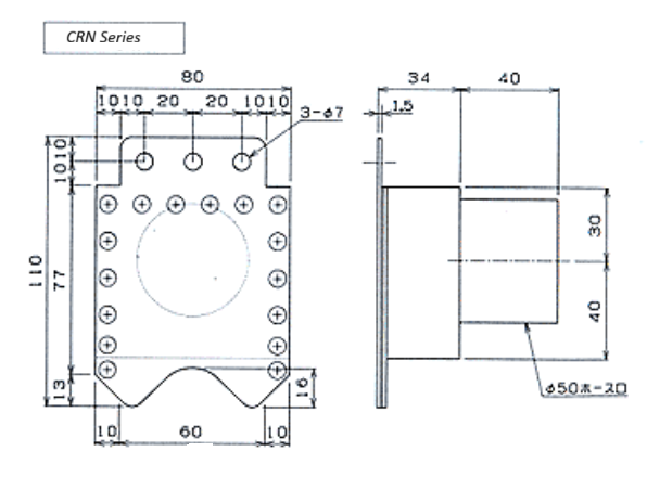
Specifications


| Nozzle Type | Injection Range | Slit Width | Blowing Port |
|---|---|---|---|
| CRX | 50 mm | 0.3 mm | PS1/4 |
| CRN | 60 mm | 1 mm | φ50 |











