Daito Kogyo Co.
Daito Kogyo CSB-S Type 1/2 – 2 1/2B Shaft Seal

Manufacturer: Daito Kogyo Co., Ltd.
Model: CSB-S type 1/2 – 2 1/2B
Features
- The shaft seal is an oil seal, a generic all-stainless steel type.
- This gear pump is for transportation driven by a V belt or directly by a geared motor.
- It is widely used for corrosive liquids such as acidic or alkaline liquids.
- The oil seal can be either Viton or Teflon.
Specifications
| PUMP TYPE | Bore | Capacity | Pressure | Speed | Motor | V Pulley & V belt | ||||||
|---|---|---|---|---|---|---|---|---|---|---|---|---|
| 50 Hz | 60 Hz | |||||||||||
| B | A | L/min | MPa | min-1 | kW × P | PD | MD | type | PD | MD | type | |
| CSB-4(S) | 1/2 | 15 | 15 | 0.3 | 400 | 0.4 × 4 | 175 | 50 | A1 | 225 | 50 | A1 |
| CSB-6(S) | 3/4 | 20 | 25 | 0.3 | 400 | 0.75 × 4 | 225 | 65 | A2 | 250 | 65 | A2 |
| CSB-8(S) | 1 | 25 | 40 | 0.3 | 400 | 0.75 × 4 | 225 | 65 | A2 | 250 | 65 | A2 |
| CSB-10(S) | 1 1/2 | 40 | 75 | 0.3 | 400 | 1.5 × 4 | 275 | 75 | A3 | 275 | 65 | A3 |
| CSB-20(S) | 2 | 50 | 110 | 0.3 | 400 | 2.2 × 4 | 300 | 90 | A3 | 300 | 75 | A3 |
| CSB-22(S) | 2 1/2 | 65 | 138 | 0.3 | 400 | 3.7 × 4 | 300 | 90 | A4 | 300 | 75 | A4 |
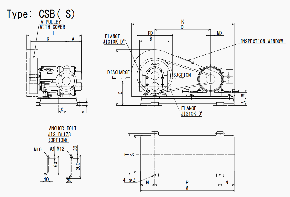
| PUMP TYPE | A | B | C | D | E | F | G | H | I | L | M | N | Q | R | S | T | U | W | X | Y | Z | weight kg |
|---|---|---|---|---|---|---|---|---|---|---|---|---|---|---|---|---|---|---|---|---|---|---|
| CSB-4(S) | 70 | 160 | 110 | 1/2 | 90 | 70 | 12 | 89 | 145 | 250 | 114 | 40 | 35 | 180 | 18 | 3.5 | 6 | 6 | 15 | 28 | 11 | 8.5 |
| CSB-6(S) | 70 | 200 | 130 | 3/4 | 110 | 70 | 15 | 104 | 182 | 250 | 140 | 40 | 35 | 180 | 18 | 3.5 | 6 | 6 | 15 | 28 | 11 | 12 |
| CSB-8(S) | 78 | 202 | 148 | 1 | 116 | 72 | 20 | 116 | 208 | 281 | 150 | 40 | 40 | 203 | 25 | 4 | 7 | 8 | 11 | 36 | 11 | 18 |
| CSB-10(S) | 97 | 216 | 155 | 1 1/2 | 130 | 76 | 22 | 117 | 222 | 342 | 160 | 46 | 50 | 245 | 26 | 4 | 7 | 8 | 0 | 45 | 12 | 26.5 |
| CSB-20(S) | 110 | 208 | 177 | 2 | 140 | 90 | 24 | 136 | 247 | 375 | 180 | 56 | 60 | 265 | 30 | 4 | 7 | 8 | 0 | 45 | 14 | 33 |
| CSB-22(S) | 135 | 256 | 180 | 2 1/2 | 160 | 100 | 28 | 136 | 255 | 435 | 200 | 60 | 60 | 300 | 30 | 4 | 7 | 8 | 0 | 45 | 14 | 48 |
| PUMP TYPE | Motor | A | B | C | D | F | K | L | M | N | P | Q | R | S | T | |
|---|---|---|---|---|---|---|---|---|---|---|---|---|---|---|---|---|
| kW × P | Frame | |||||||||||||||
| CSB-4(S) | 0.4 × 4 | 71 | 70 | 160 | 139 | 1/2 | 285 | 595 | 285 | 560 | 90 | 380 | 310 | 180 | 204 | 222 |
| CSB-6(S) | 0.75 × 4 | 80 | 70 | 200 | 154 | 3/4 | 340 | 630 | 290 | 560 | 90 | 380 | 310 | 180 | 204 | 222 |
| CSB-8(S) | 0.75 × 4 | 80 | 78 | 202 | 166 | 1 | 360 | 630 | 305 | 560 | 90 | 380 | 310 | 203 | 204 | 222 |
| CSB-10(S) | 1.5 × 4 | 90L | 97 | 216 | 177 | 1 1/2 | 390 | 725 | 385 | 660 | 110 | 440 | 390 | 245 | 290 | 320 |
| CSB-20(S) | 2.2 × 4 | 100L | 111 | 208 | 206 | 2 | 422 | 845 | 410 | 790 | 120 | 550 | 470 | 265 | 320 | 350 |
| PUMP TYPE | V | W | X | Y | Z | Anchor bolt | weight kg |
|---|---|---|---|---|---|---|---|
| CSB-4(S) | 50 | 28 | 40 | 18 | 11 | M10 | 33 |
| CSB-6(S) | 50 | 28 | 40 | 18 | 11 | M10 | 42 |
| CSB-8(S) | 50 | 28 | 46 | 18 | 11 | M10 | 48 |
| CSB-10(S) | 60 | 28 | 40 | 25 | 14 | M12 | 82 |
| CSB-20(S) | 70 | 40 | 35 | 25 | 14 | M12 | 123 |

Related Products
-

Daito Kogyo KR-S type 3/8 – 1B Gear Pump
-

Daito Kogyo HP-Jj2M2 double mechanical seal gear pump with full jacket
-

Daito Kogyo LF-J type 3/4 – 4B Safety Valve
-

Daito Kogyo MC-J cartridge jacket model
-

Daito Kogyo KB geared motor direct drive for generic large gear pumps
-

Daito Kogyo HP-Tv2 type and KH-Tv2 type Shaft Seal





