Daito Kogyo Co.
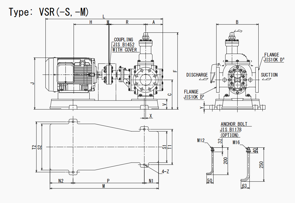
Daito Kogyo VSR-M type 1 – 8B shaft seal


Manufacturer: Daito Kogyo Co., Ltd.
Model: SR-M type 1 – 8B
Features
- The shaft seal is a mechanical seal. This is a standard gear pump for transporting large capacities, directly driven by a 4P motor with a built-in safety valve.
It is widely used for various oils, and a ball or roller bearing is used for the shaft bearing.
It can handle pumped liquids with a viscosity of up to 250 mPa・s.
Specifications


Related Products
-

Daito Kogyo HP-2JjM2 gear pump for transporting minute amounts of highly viscous liquid
-

Daito Kogyo MCER-15HT seal-less gear pump with high-pressure specifications
-

Daito Kogyo Turret-shaped CSB transportable type
-

Daito Kogyo KR-S type 3/8 – 1B Gear Pump
-

Daito Kogyo LFOV type 1/2 – 3B Safety Valve
-

Daito Kogyo MC-J cartridge jacket model





