Freebear
Freebear FAD22T Air Die Lifter For Press Machines

Manufacturer: Freebear Corporation Ltd.
Model: FAD22T
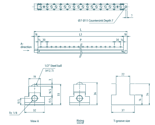
Specifications

| Model | Body size(mm) | Weight | Operating air pressure | |||||||||
|---|---|---|---|---|---|---|---|---|---|---|---|---|
| L | L1 | P | kg | 0.3MPa | 0.4MPa | 0.5MPa | 0.6MPa | |||||
| Load capacity | ||||||||||||
| kN | kgf | kN | kgf | kN | kgf | kN | kgf | |||||
| FAD22T-450 | 448 | 412 | 15×P21.6=324 | 2.0 | 1.46 | 148.5 | 1.73 | 176.5 | 2.32 | 236.7 | 2.91 | 297.0 |
| FAD22T-520 | 520 | 484 | 18×P22=396 | 2.4 | 1.70 | 173.7 | 2.02 | 206.7 | 2.71 | 277.0 | 3.40 | 347.4 |
| FAD22T-600 | 584 | 548 | 23×P20=460 | 2.7 | 1.96 | 199.9 | 2.36 | 240.7 | 3.14 | 320.2 | 3.92 | 399.7 |
| FAD22T-700 | 684 | 648 | 28×P20=560 | 3.1 | 2.21 | 224.9 | 2.65 | 270.2 | 3.53 | 360.0 | 4.41 | 449.7 |
| FAD22T-800 | 784 | 748 | 33×P20=660 | 3.6 | 2.69 | 274.4 | 3.21 | 327.7 | 4.29 | 438.2 | 5.38 | 548.7 |











