Freebear
Freebear L-Type


Manufacturer: Freebear Corporation Ltd.
Specifications

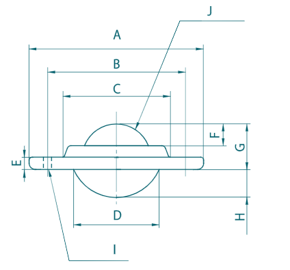
| Model | Allowable load | Max. load | Main ball | Small ball | Body | Ball seat | Weight | A | B | C | D | E | F | G | H(Reference value) | I | J |
|---|---|---|---|---|---|---|---|---|---|---|---|---|---|---|---|---|---|
| C-5L | 8kg | 16kg | Steel | Steel | Steel | SUS | 45.5g | ∅41.3 | 30 | ∅22 | ∅24 | 3.4 | 4 | 10.2 | 9.1 | 2-∅3.5 | 5/8″Ball(∅15.875) |
| CS-5L | 8kg | 16kg | SUS | SUS | Steel | SUS | 45.5g | ∅41.3 | 30 | ∅22 | ∅24 | 3.4 | 4 | 10.2 | 9.1 | 2-∅3.5 | 5/8″Ball(∅15.875) |
| S-5L | 8kg | 16kg | SUS | SUS | SUS | SUS | 45g | ∅41.3 | 30 | ∅22 | ∅24 | 3.4 | 4 | 10.2 | 9.1 | 2-∅3.5 | 5/8″Ball(∅15.875) |
| P-5L | 2kg | – | Nylon | SUS | Steel | SUS | 31.5g | ∅41.3 | 30 | ∅22 | ∅24 | 3.4 | 4 | 10.2 | 9.1 | 2-∅3.5 | 5/8″Ball(∅15.875) |
| C-8L | 30kg | 60kg | Steel | Steel | Steel | SUS | 132g | ∅55.5 | 45.5 | ∅32.5 | ∅35 | 4 | 7.3 | 14.6 | 15.2 | 2-∅4.5 | 1″Ball(∅25.40) |
| CS-8L | 30kg | 60kg | SUS | SUS | Steel | SUS | 132g | ∅55.5 | 45.5 | ∅32.5 | ∅35 | 4 | 7.3 | 14.6 | 15.2 | 2-∅4.5 | 1″Ball(∅25.40) |
| S-8L | 30kg | 60kg | SUS | SUS | SUS | SUS | 131g | ∅55.5 | 45.5 | ∅32.5 | ∅35 | 4 | 7.3 | 14.6 | 15.2 | 2-∅4.5 | 1″Ball(∅25.40) |
| P-8L | 5kg | – | Nylon | SUS | Steel | SUS | 75g | ∅55.5 | 45.5 | ∅32.5 | ∅35 | 4 | 7.3 | 14.6 | 15.2 | 2-∅4.5 | 1″Ball(∅25.40) |

| Model | Allowable load | Max. load | Main ball | Small ball | Body | Ball seat | Weight | A | B | C | D | E | F | G | H(Reference value) | I | J |
|---|---|---|---|---|---|---|---|---|---|---|---|---|---|---|---|---|---|
| C-12 | 60kg | 120kg | Steel | Steel | Steel | Steel | 506g | ∅96.8 | P.C.D.76.5 | ∅59.6 | ∅49.5 | 6.8 | 12 | 28.5 | 15.5 | 3-∅4.5 | 1½″Ball(∅38.10) |
| P-12 | 10kg | – | Nylon | SUS | Steel | Steel | 315g | ∅96.8 | P.C.D.76.5 | ∅59.6 | ∅49.5 | 6.8 | 12 | 28.5 | 15.5 | 3-∅4.5 | 1½”Ball(∅38.10) |











