Freebear
Freebear Roller Bearing


Manufacturer: Freebear Corporation Ltd.
Features
- Roller type with the same mounting dimensions and heights as C-8L and C-8L-5 is now available.
- Recommended when the degree of freedom needs to be restricted.In addition, the low body height also contributes to reduce the height of equipment and devices.
- It can also be used downward or sideways.
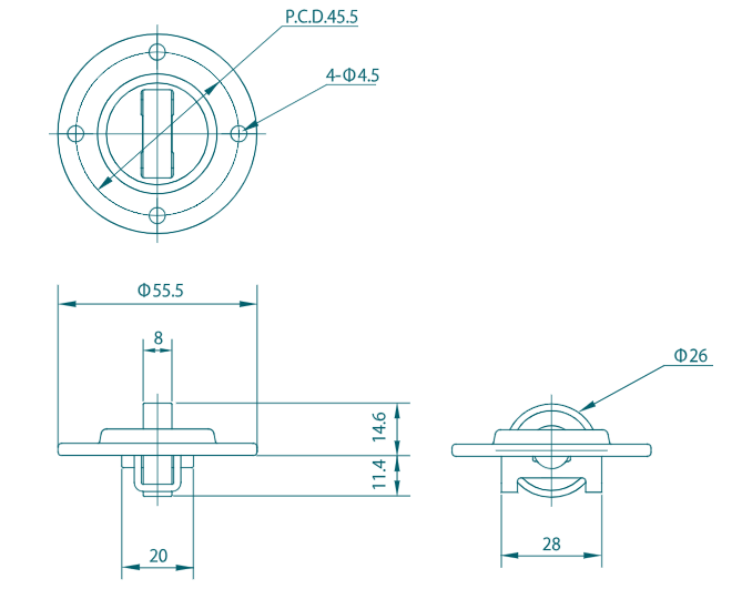
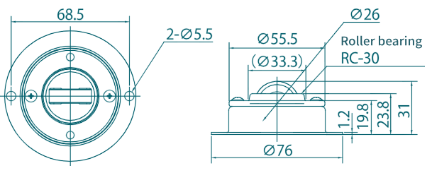
Specifications

Unit:mm
| Model | Allowable load | Roller material | Shaft material | Cover material | Base material | Cradle | Weight |
|---|---|---|---|---|---|---|---|
| RC-30 | 30kg | Steel | SUS | Steel | Steel | – | 73g |
| RP-30 | 10kg | POM | SUS | Steel | Steel | – | 59g |
| RS-30 | 30kg | SUS | SUS | SUS | Steel(Electroless nickel-plating) | – | 73g |
※The weight of single conveyance object shall not exceed 1000 kg.
※Product specifications are subject to change without prior notice. Please contact us for details.
※For materials not contained herein, please contact us.
※The main ball of the stainless steel products contained herein is made of SUS440C.Please consult us for rust prevention purposes.

Unit:mm
| Model | Allowable load | Roller material | Shaft material | Cover material | Base material | Cradle | Weight |
|---|---|---|---|---|---|---|---|
| RC-30-5 | 30kg | Steel | SUS | Steel | Steel | Steel | 125g |
| RP-30-5 | 10kg | POM | SUS | Steel | Steel | Steel | 111g |
※The weight of single conveyance object shall not exceed 1000 kg.
※Product specifications are subject to change without prior notice. Please contact us for details.
※For materials not contained herein, please contact us.
※The main ball of the stainless steel products contained herein is made of SUS440C.Please consult us for rust prevention purposes.











