Freebear
Freebear Scrap Removing Slits

Manufacturer: Freebear Corporation Ltd.
Features
- After the 8Y type, the 8L type also has the scrap removing function.
- Processing scrap removing slit further improves the service life.
Specifications

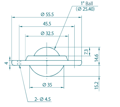
| Model | Allowable load | Max. load | Main ball | Small ball | Body | Ball seat | Weight |
|---|---|---|---|---|---|---|---|
| C-8L-SL4 | 30kg | 60kg | Steel | Steel | Steel | SUS | 129g |
| S-8L-SL4 | 30kg | 60kg | SUS | SUS | SUS | SUS | 127g |
Related Products
-

Freebear AFU-5050-4P Series Pneumatically Actuated Freebear Unit
-

Freebear AFU-5050 Series Pneumatically Actuated Freebear Unit
-

Freebear FU-5L Series Freebear Unit
-

Freebear Table -Handle Lifting Type for Light Load LHFT-450×700
-

Freebear AFU-5050W Series Pneumatically Actuated Freebear Unit
-

Freebear AFU-3836AL Pneumatically Actuated Freebear Unit





