- Microphones
- Sound and vibration pickups
- ON-OFF vibration switches
- Bone conduction speakers
- Board fan controllers
- Various types of actuator devices
◆Basic Structure

Series Type

Parallel Type
◆Maximum Manufacturing Range


- The standard thickness of SIM material (elastic loading plate) is 0.05mm and 0.1mm.
- When one end is fixed, the standard deviation of the free length is about 85% of the total length.
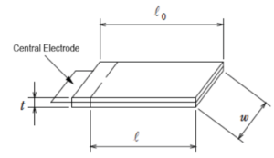
- The permissible range of the length l₀, width w, and thickness t is shown in the diagram below.
◆PZT Material Transducer Characteristics
| Conditions | Single-End Fixed | Double-End Supported | ||
| Series Type | Parallel Type | Series Type | Parallel Type | |
| Generated Charge | Qcs = (3/2) * d31 * (ℓ² / t) * F | Qcp = 3 * d31 * (ℓ / t) * F | Qsp = (3/8) * d31 * (ℓ² / t) * F | Qsp = (3/4) * d31 * (ℓ² / t) * F |
| Output Voltage for Force “F” | Vs = (3/2) * g31 * (ℓ² / t) * F | Vp = (3/4) * g31 * (ℓ / t) * F | Vs = (3/8) * g31 * Y * (ℓ / t) * u | Vp = (3/4) * g31 * Y * (ℓ / t) * u |
| Output Voltage for Displacement “u” | Vs = (3/8) * g31 * (ℓ / t) * u | Vp = (3/4) * g31 * (ℓ / t) * u | Vs = (3/8) * g31 * Y * (ℓ / t) * u | Vp = (3/4) * g31 * Y * (ℓ / t) * u |
| Electrostatic Capacitance | Cds = e33 * T * ℓ * w / t | Cdp = 4 * e33 * T * ℓ * w / t | Cds = e33 * T * ℓ * w / t | Cdp = 4 * e33 * T * ℓ * w / t |
| Compliance | snc = 1 / E * (ℓ³ / wt³) | snc = 1 / E * (ℓ³ / wt³) | snc = 1 / E * (ℓ³ / wt³) | snc = 1 / E * (ℓ³ / wt³) |
| Displacement | uc = F * snc | uc = F * snc | uc = F * snc | uc = F * snc |
| Resonance Frequency | fr = (α² * n²) / (4 * π * ℓ²) * √(Y / ρ) | fr = (α² * n²) / (4 * π * ℓ²) * √(Y / ρ) | fr = (α² * n²) / (4 * π * ℓ²) * √(Y / ρ) | fr = (α² * n²) / (4 * π * ℓ²) * √(Y / ρ) |














