Fukada Kogyo Co.,Ltd.
Fukada Kogyo APP Mixer

APP
Features
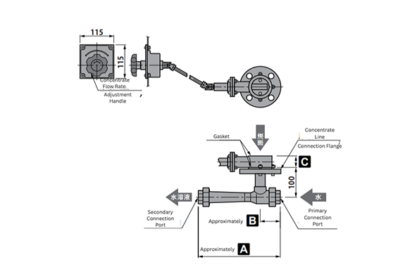
| Overview | The pump proportioner is a fixed mixer that mixes fire water and foam extinguishing agent in foam fire extinguishing equipment. It is installed in the middle of the bypass that is installed from the discharge side to the suction side of the fire water pump, and uses part of the water supply to suck in foam extinguishing agent using the ejector function. In addition, the mix control dial operates the concentrate adjustment valve to adjust the mix ratio to a constant level. |
|---|---|
| Format | APP-* |
Specifications

| Model Type | A [mm] | B [mm] | C [mm] | First and Second Connection Sizes | Raw Liquid Connection Flange Size |
|---|---|---|---|---|---|
| APP-2R | 279 | 69 | 41 | Rc1 | 40A JIS 10K |
| APP-3R | 350 | 100 | 55 | Rc1 1/2 | 50A JIS 10K |











