Futaba
Futaba AD12-06H-A02 Industrial Servo

Manufacture: Futaba Corporation
Model: AD12-06H-A02
Features
This programmable servo is designed for use on the ailerons of small fixed-wing drones and small robots. Connecting it to a PC using the CIU-2/CIU-3 (sold separately) and using our dedicated servo setting software “S-Link” allows you to change the operating angle range. The use of metal gears makes this a durable product despite its compact size.
Specification
| Model name | AD12-06H-A02 |
|---|---|
| Rated voltage [V] | 7.4 |
| Rated torque [N⋅m] | 0.06 (at 7.4V) |
| Maximum torque (instantaneous) [N⋅m] | 0.29 (at 7.4V) |
| No-load rotation speed [min-1] | 91 (at 7.4V) |
| Operating angle range (°) | ±60 (±90 by changing the setting) |
| Case Material | Upper: Resin Middle: Resin Bottom: Resin Heat Sink: Aluminum |
| Gear Material | 1st: Resin 2nd: Metal 3rd: Metal 4th: Metal Final: Metal |
| Connection cable | Detachable unshielded cable |
| Cable length [mm] | 200 |
| Connector part | 3-pole connector |
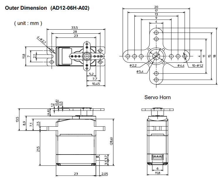
| Dimensions (W x L x H) [mm] | 23.0×11.8×28.6 |
| Control and communication standards | PWM/S.BUS/S.BUS2 |
| Operating temperature [℃] | -10 to +45 |
| Weight [g] | 16.2 |
- Regarding control and communication standards,
it is assumed that it will be connected to Futaba RC receivers and various other controllers, and is compatible with the following standards.- PWM: PWM signal used in conventional hobby RC servos
- S.BUS: Futaba’s proprietary serial communication protocol for hobby RC servos
Each communication format cannot be used at the same time.
Dimension












