Futaba
Futaba AD20-06H-C01 Industrial Servo

Manufacture: Futaba Corporation
Model: AD20-06H-C01
Features
This is a general-purpose servo module that supports Futaba’s original S.BUS/S.BUS2 protocol. It is waterproof (IPX4) and ideal for standard size and high torque applications. Using the CIU-3 (sold separately), you can change the default operating angle and set free and hold. Recommended for areas where replacement is frequent or for low-cost applications.
Specification
| Model name | AD20-06H-C01 |
|---|---|
| Rated voltage [V] | 7.4 |
| Rated torque [N⋅m] | 0.14 |
| Maximum torque (instantaneous) [N⋅m] | 0.80 |
| No-load rotation speed [min-1] | 77 |
| Dustproof/waterproof structure | IPX4 |
| Case Material | Upper: Resin Middle: Resin Bottom: Resin |
| Gear Material | 1st: Resin 2nd: Resin 3rd: Resin Final: Resin |
| Connection cable | Fixed unshielded cable |
| Cable length [mm] | 300.0 |
| Connector part | 3-pole connector |
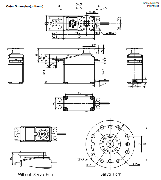
| Dimensions (W x L x H) [mm] | 40.0×20.0×38.1 |
| Control and communication standards | PWM / S.BUS / S.BUS2 |
| Operating temperature [℃] | -10 to +45 |
| Weight [g] | 38.0 |
Control and Communication Standards
Intended for connection to Futaba RC receivers and various other controllers, the controller supports the following standards:
・PWM: PWM signal used in conventional hobby RC servos
・S.BUS: Futaba’s proprietary serial communications protocol for hobby RC servos
Each communication format cannot be used simultaneously.
Dimension












