Futaba
Futaba FDP-02 Wireless Module

Manufacture: Futaba Corporation
Model: FDP-02
Features
Eight major features of FDP-02
- Achieves significant cost savings compared to our previous products
- It has a wide range of 80 radio frequency channels and is equipped with an “automatic group” function that allows excellent coexistence with wireless LAN systems (up to three channels can be grouped together).
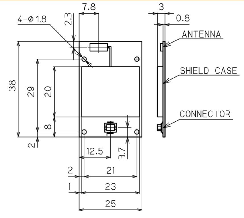
- Compact size suitable for embedding in devices: 25(W) x 38(D) x 3(H)mm (excluding connectors)
- Equipped with communication protocols, it can support various communication formats (1:1, 1:N, broadcast communication)
- Chip antenna mounted on the board for integrated antenna
- Equipped with a highly versatile RS-232C compliant interface
- Supports communication test functions that take maintenance into consideration when installing wireless systems
- Unlike general wireless modules, it has obtained technical standards conformity certification (ARIB STD-T66), so there is no need for complicated license applications or qualifications.
Main uses
- Energy monitoring, air conditioning control, security, logistics management, factory production line monitoring
- Applications where the communication distance of a weak wireless module is insufficient
- Information transmission to display
- Embedding into handheld devices
Description
The FDP-02 embedded 2.4GHz wireless module is equipped with both transmitter and receiver circuits, a built-in CPU for communication control , and enables bidirectional serial data transmission using simple commands. It offers significantly lower cost than our previous products , making it ideal for short-distance wireless applications that have previously been cost-prohibitive, or for applications where the communication distance and quality of weak radio modems and weak radio modules are insufficient. The communication distance is 30m (line of sight) outdoors . With a high wireless line speed of 1Mbps, it enables faster wireless communication than 429MHz band specific low-power radio modules .
Although it has the same cost, size, and current consumption as a general wireless module, it is equipped with a communications control CPU, and has obtained a technical standards compliance certificate , so customers do not need to apply for a license. It also simplifies the complicated peripheral circuit design and software development, which can shorten development time.
The module offers a wide range of 80 frequency channels to choose from, and is equipped with an “automatic group” function for wireless frequency channels . This function groups multiple frequency channels according to the radio wave environment at the installation location, and the wireless module itself determines and selects the frequency channel with the best communication conditions for communication. This enables stable wireless communication of control data, sensor data, etc., even in environments where other 2.4GHz wireless systems such as wireless LAN and ZigBee wireless are used.
Compared to the FDP-01 series product , the operating power supply voltage has been lowered to DC 2.5 to 5.5V, and the current consumption has been reduced to 16mA during normal operation . Furthermore, the chip antenna is integrated into the circuit board , making it easier to incorporate into various devices.
Main specifications
*Product specifications are subject to change without notice.
| technical standards | ARIB STD-T66 |
|---|---|
| Radio wave format | F1D |
| Radio frequency band | 2402-2481MHz (ARIB STD-T66) |
| Frequency Channel | 80 channels |
| Data Modulation Rate | 1Mbps |
| Antenna Power | 1mW (equivalent radiated power from built-in antenna) |
| Communication distance | Outdoors 30m (line of sight) * |
| antenna | Built-in chip antenna |
| Communication method | Simplex communication method |
| Communication type | 1:1, 1:N, N:M |
| Error correction function | Automatic error detection and automatic retransmission |
| Interface | Asynchronous serial communication (2.2V) |
| Data Rate | 9600 to 115.2 kbps |
| Power supply voltage | DC 2.5 to 5.5 V |
| Current consumption | 16mA or less (normal operation) 5μA (power down mode) |
| Operating temperature | -20 to +60°C |
| External dimensions | 38(W) x 25(D) x 3(H)mm (excluding protrusions) |
| weight | Approximately 3.2g |
*As this is a built-in antenna, it may vary depending on the installation and configuration.












