Futaba
Futaba S-A300 For Airplanes (S.BUS)

Manufacturer: Futaba Corporation
Model: S-A300
S.BUS digital standard servo for airplanes
This is a high-torque digital standard servo that uses the S.BUS system for airplanes.
Features
High-torque digital standard servo for airplanes.
Metal 2-3-stage gear
Aluminum final gear
S.BUS system
Speed: 0.17 sec/60° (7.4V) / 0.19 sec/60° (6.6V)
Torque: 11.0 kgf-cm (7.4V) / 10.0 kgf-cm (6.6V) .
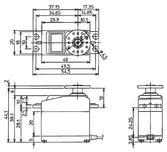
Dimensions/Weight: 40 x 20 x 38.1 mm / 47 g
Use with large scale aircraft, acrobatic aircraft, or aircraft with large control surfaces may result in servo failure due to overload or vibration. For aircraft weighing 4000 g or more or with an engine displacement of 25 cc or more, use the S-A501 or a servo with 16 kgf-cm (7.4V) or higher. The S-A300 is an airplane servo. Do not use with helicopters.
Dimension












