Futaba
Futaba S-HC501 For Airplanes (S.BUS)

Manufacturer: Futaba Corporation
Model: S-HC501
Helicopter General Swash
Swash drive servo with coreless motor (1,520/760uS compatible)
Features
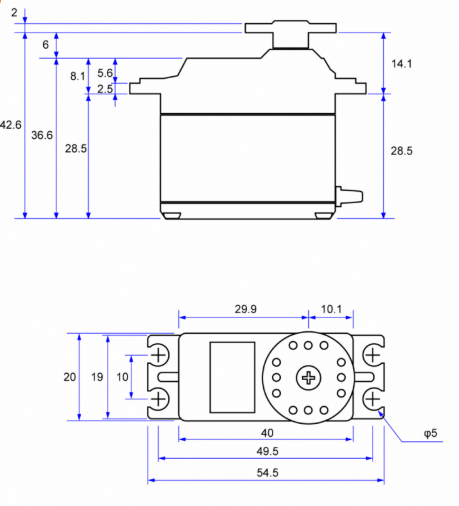
Dimensions: 40.0 × 20.0 × 36.6 mm
Weight: 54 g
Speed: 0.09 sec / 60° (7.4 V); 0.10 sec/60° (6.6 V)
Torque: 13.8 kgf・cm (7.4 V); 12.5 kgf cm (6.6 V)
Supports 760uS ( factory default setting : 1,520uS )
S.BUS method
Coreless motor
Metal 2-3 speed gear
Aluminum final gear
Resin case
* Regarding combination with CGY770R :
When using the S-HC501 with DG:1520us , use the CGY770R AIL Expert and ELE Expert ( FLT Expert in 3D mode ) sensor mode set to ” Std ” or ” S1 “.
Dimension












