Futaba
Futaba S-U300 For Airplanes (S.BUS)

Manufacturer: Futaba Corporation
Model: S-U300
Air, car S.BUS type standard servo
This is a standard servo that uses the S.BUS system for airplanes and cars.
Features
Standard airborne servo
All resin gears
S.BUS system
Speed: 0.19 sec/60° (6.0V) / 0.23 sec/60° (4.8V)
Torque: 4.1 kgf・cm (6.0V) / 3.2 kgf・cm (4.8V)
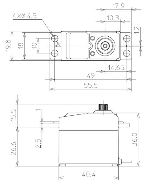
Dimensions/weight: 40.4 x 19.8 x 36.0 mm / 36 g
Power supply: 4.8 to 6.0 V.
Dimension












