Kyowa Kogyo Co.
Kyowa Kogyo FJ Type Non-Lubrication, General-Purpose Compact Cross Type

Manufacturer: Kyowa Kogyo Co., Ltd.
Model: FJ Type
Features
- While the S series is suitable for use under relatively high torque conditions, the F series is suitable for use under conditions of high rotational speed, and is a series that is free of refueling and maintenance. “Bearing type”
- Inner Diameter 16~40mm
- Compact design
- General-purpose compact cross type with excellent rotational accuracy
- High-speed, continuous operation without lubrication
- Additional work on the main unit is possible
Specifications
| Items | Allowable Rotational Speed (min-1) | Allowable Operating Angle (°) | Allowable Torque (N.m) | Static breakdown torque (N.m) | GD 2 (kg.cm2) | Mass (g) |
|---|---|---|---|---|---|---|
| Product number | ||||||
| FJ-32 | 5,000 | 25 | 29 | 110 | 1.5 | 250 |
| FJ-42 | 5,000 | 25 | 78 | 310 | 5.2 | 600 |
| FJ-52 | 5,000 | 25 | 140 | 580 | 18 | 1,100 |
| FJ-59 | 5,000 | 25 | 240 | 960 | 40 | 1,500 |
| FJ-70 | 3,500 | 25 | 340 | 1,300 | 77 | 2,700 |
| Product Number | C(N) | ℓ(mm) |
|---|---|---|
| FJ-32 | 2,700 | 22.15 |
| FJ-42 | 3,200 | 29.3 |
| FJ-52 | 5,600 | 35.3 |
| FJ-59 | 6,400 | 41.4 |
| FJ-70 | 7,000 | 47.5 |
*NBR is used for oil sealing. Please consider that there will be deterioration over time regardless of the calculated life.
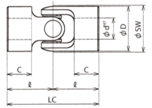
Dimensions (mm)

Related Products
-

Kyowa Kogyo CF Type Lubrication-Free, Mass-Produced Type
-

Kyowa Kogyo H Series Cold Forged Steering Joints
-

Kyowa Kogyo SD Type High-Precision Spinning Top Standard Type
-

Kyowa Kogyo SC Type High-Precision Spinning Top Standard Type
-

Kyowa Kogyo KD Type Industrial Propeller Shaft Type
-

Kyowa Kogyo KP Type Industrial Propeller Shaft Type





