Nachi
Nachi MZ12 Compact And Multipurpose Robot

Manufacturer: NACHI
Model: MZ12
Features
Protection level: IP67 rated
Paint is coolant resistant
Leads its class in speed in precision
Footprint is 17% smaller than conventional robots
Through-arm cabling and air piping included
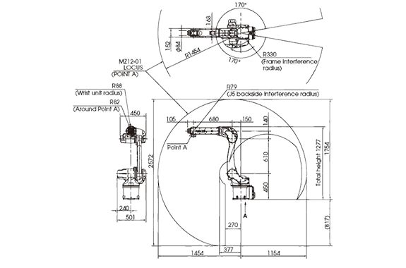
Operating range
Robot Dimensions and Working Envelope
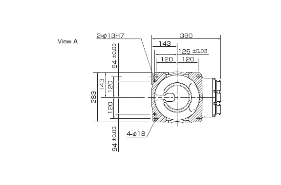
Wrist dimensions
Specification
Basic specification of robot
| Item | Specification | |
| Model | MZ12-01 | |
| Structure | Articulated | |
| Controllable | Axes 6 | |
| Drive System | AC Servodrive | |
| Max.Working Envelope | J1 | ±2.97 rad (±170°) |
| J2 | +1.57 ~ 2.79 rad (+90 ~ 160°) | |
| J3 | +3.67 ~ -2.57 rad (+210 ~ -147°) | |
| J4 | ±3.32 rad (±190°) | |
| J5 | ±2.44 rad (±140°) | |
| J6 | ±6.28 rad (±360°) | |
| Max. Speed* | J1 | 4.54 rad/s (2607°/s) |
| J2 | 4.01 rad/s (2307°/s) | |
| J3 | 4.54 rad/s (2607°/s) | |
| J4 | 8.20 rad/s (4707°/s) | |
| J5 | 8.20 rad/s (4707°/s) | |
| J6 | 12.22 rad/s (7007°/s) | |
| Payload | Wrist | 12 kg |
| Allowable Static Loading Torque | J4 | 25 N·m |
| J5 | 25 N·m | |
| J6 | 9.8 N·m | |
| Max. Allowable Moment of Inertia* | J4 | 0.7 kg·m² |
| J5 | 0.7 kg·m² | |
| J6 | 0.2 kg·m² | |
| Position Repeatability* | ±0.04 mm | |
| Max. Reach | 1454 mm | |
| Air Piping | 06×2 + 08×1 | |
| Application Wirings | 24 wires (including optional solenoid valves) | |
| Installation | Floor / Inverted mount / Tilted | |
| Ambient Conditions | Temperature: 0~45°C, Humidity: 20~85% RH (without condensation), Vibration ≤0.5G (4.9 m/s²) | |
| Environmental Protection | IP67 equivalent | |
| Weight | 150 kg | |
1[rad]=180/[], 1[Nm]=1/9.8[kgfm]
* Explosion-proof version is not available.
*1 The maximum speed in the chart is a maximum value. The maximum value may change depending on work programs and load conditions of the wrist.
*2 The Allowable Moment of Inertia of a wrist changes with load conditions of a wrist.
*3 JIS B 8432 compliant.
*4 Using at 1000 m or lower sea level. Ambient temperature has limitations when allowable altitude is exceeded.
*5 Fluids that cause the deterioration of sealants. such as gasoline-based cutting fluids. chlorine. alkali. acids. and organic solvents. cannot be used. The wire-harness portion is IP65 equivalent. and the robot controller is IP20 equivalent.











