NIC AUTOTEC
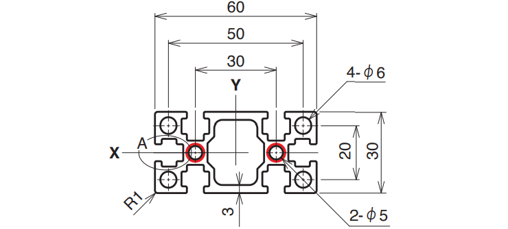
NIC Autotec AFS-3060-6 Basic Frame

Manufacturer: NIC Autotec, Inc.
Model: AFS-3060-6
Dimensions

Specifications
| Length | Page length * 1 | Material | Tensile Fitness | Cross-sectional Area | Mass | Second Moment of Area |
|---|---|---|---|---|---|---|
| 6,000 mm | 15–4,000 mm | A6063S-T5 (205) | 225 N/mm² | 694.1 mm² | 1.874 kg/m | Ix 6.79 × 10⁴ mm⁴ Iy 25.6 × 10⁴ mm⁴ |











