NIC AUTOTEC
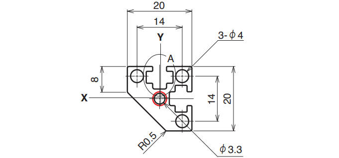
NIC Autotec AFSC-2020-4 Basic Frame

Manufacturer: NIC Autotec, Inc.
Model: AFSC-2020-4
Dimensions

Specifications
| Length | Page length * 1 | Material | Tensile Fitness | Cross-sectional Area | Mass | Second Moment of Area |
|---|---|---|---|---|---|---|
| 6,000 mm | 15–4,000 mm | A6063S-T5 | 185 N/mm² | 192.1 mm² | 0.519 kg/m | Ix 0.60 × 10⁴ mm⁴ Iy 0.60 × 10⁴ mm⁴ |











