Nippon Gear Co.
Nippon Gear GSE Series

Manufacturer: Nippon Gear Co., Ltd.
Model: GSE Series
Features
Equipped with a shutoff mechanism
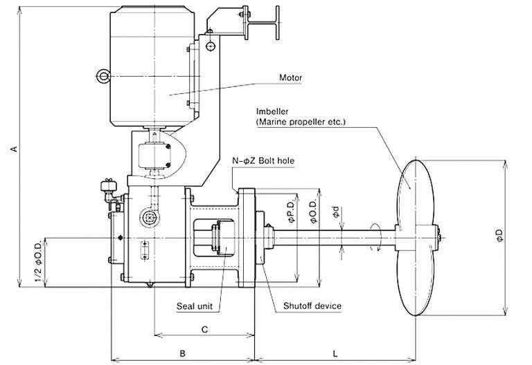
- GSE mixers are equipped with a shutoff mechanism that blocks fluid near the shaft seal in the tank.
This enables replacement of the shaft seal while keeping the fluid in the tank.
The GSE-17 mixer, which is the largest product in this series, is a side entry mixer with the world’s largest transmission capacity.
Specifications


| Series # | A | B | C | Mixing Shaft diameter Φd | E | F | Nominal diameter | ΦO.D. | ΦP.D. | N-ΦZ | Approx. mass (kg) |
|---|---|---|---|---|---|---|---|---|---|---|---|
| GSE-08 | 1303.5 | 647 | 453 | 65 | 430 | 570 | JIS10K 300A | 445 | 400 | 16-Φ25 | 700 |
| GSE-11 | 1471 | 716 | 496 | 75 | 470 | 610 | JIS10K 350A | 490 | 445 | 16-Φ25 | 1330 |
| GSE-14 | 1847 | 858 | 593 | 100 | 580 | 740 | JIS10K 400A | 560 | 510 | 16-Φ27 | 1630 |
| GSE-17 | 2126 | 1091 | 743 | 120 | 760 | 960 | JIS10K 500A | 675 | 620 | 20-Φ27 | 2290 |
■Approx. mass represents the mass of the main unit only; the mass of impeller Ass’y etc. is not included.
■As for D and L dimension, please consult with us.
■As we may change dimensions, please check our dimensional drawing for confirmation.











