Nippon Gear Co.
Nippon Gear Smoothy Screw

Manufacturer: Nippon Gear Co., Ltd.
Features
- High transmission efficiency (50%)
Higher efficiency than that of trapezoidal screws. - Smooth operation without lubrication (oil, grease)
The new material nut ensures smooth operation without lubrication. - Long operation life, low friction
The high-strength nuts are extremely durable and can be used safely for a long period of time. - High quality
Able to deliver high-quality products due to processing, assembling, and inspecting our products in our quality-controlled factory.
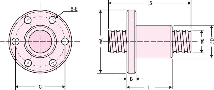
Specifications
※Unit:mm
| Nominal outer diameter of Screw | Lead | Root diameter of Screw | Allowable load W (N) | Allowable WN Value | Nut dimensions | Standard screw length LS | |||||
|---|---|---|---|---|---|---|---|---|---|---|---|
| Outer diameter | Length | Flange | Mounting hole | ||||||||
| D | L | Outer diameter A | Width B | PCD C | Diameter E | ||||||
| 10 | 4 | 8.2 | 1000 | 1.9×105 | 19 | 32 | 36 | 5 | 28 | 4.5 | 300,500 |
| 12 | 4 | 10.2 | 1500 | 2.3×105 | 22 | 38 | 39 | 5 | 31 | 4.5 | 300,500 |
| 14 | 5 | 11.3 | 3500 | 4.7×105 | 30 | 60 | 50 | 10 | 40 | 4.5 | 300,500 |
| 16 | 5 | 13.3 | 4000 | 4.6×105 | 30 | 60 | 50 | 10 | 40 | 4.5 | 300,500,1000 |
| 18 | 5 | 15.3 | 4500 | 4.6×105 | 34 | 60 | 63 | 12 | 49 | 5.5 | 300,500,1000 |
| 20 | 5 | 17.3 | 6000 | 5.5×105 | 40 | 70 | 60 | 10 | 50 | 5.5 | 500,1000,1500,2000 |
| 25 | 5 | 22.3 | 7500 | 5.4×105 | 42 | 70 | 71 | 12 | 57 | 6.6 | 500,1000,1500,2000 |
| 25 | 10 | 21.5 | 5000 | 3.7×105 | 44 | 80 | 80 | 15 | 62 | 9 | 500,1000,1500,2000 |
| 28 | 6 | 24.5 | 10500 | 6.8×105 | 50 | 80 | 79 | 15 | 65 | 9 | 500,1000,2000,2500 |
| 32 | 10 | 27.7 | 12500 | 7.1×105 | 55 | 110 | 97 | 18 | 75 | 11 | 500,1000,2000,3000 |
*1:Screws must be used whithin the above-mentioned WN values is experienced as allowable load W(N) × allowable rotation speed N(min-1)
*2:MAX. min-1 : 1200min-1
*3:Allowable operating temperature. -20〜60 degrees C
*4:Special paste is applied for improving initial conformability at the time of shipment.
As the paste is optionally available, please place an order if your usage conditions demand it.
*5:The accuracy is equivalent to JIS C-10 (ball screw).
Dimensional Drawing












