NT TOOL CORPORATION
NT Tool Corporation BZ Back Spot-Facing Cutter

Manufacturer: NT TOOL CORPORATION
Model: BZ
Feature
- For back chamfering with axially adjustable machines such as machining center and milling machine.
- Commercially available inserts can be used. Great for cost saving.
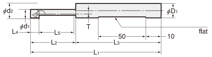
Dimensions

| Model | φ d1 | φ d2 | T | φ D1 | L1 | L2 | L3 | L4 | L5 | kg |
|---|---|---|---|---|---|---|---|---|---|---|
| BZ070110 | 7.0 | 11 | 2.6 | 12 | 106 | 36 | 70 | 7 | 27 | 0.07 |
| BZ085140 | 8.5 | 14 | 3.3 | 12 | 111 | 41 | 70 | 8 | 32 | 0.07 |
| BZ105170 | 10.5 | 17 | 3.8 | 16 | 116 | 46 | 70 | 8 | 37 | 0.12 |
| BZ130190 | 13.0 | 19 | 3.8 | 16 | 122 | 52 | 70 | 9 | 42 | 0.14 |
| BZ170250 | 17.0 | 25 | 4.8 | 20 | 135 | 65 | 70 | 12 | 52 | 0.23 |
| BZ210310 | 21.0 | 31 | 5.8 | 25 | 155 | 85 | 70 | 12 | 72 | 0.24 |
Related Products
-

NT Tool Corporation FSC-C Series Collet For Tapper
-

NT Tool Corporation WSL/Tr Series Quick Change Tapping Chuck
-

NT Tool Corporation WESN・B/WESNR・B Series Quick Change Tap Adapter
-

NT Tool Corporation NC Tooling System SM・W Shell End Mill Arbor Head
-

NT Tool Corporation NC Tooling System ST-HDZ High Precision Collet Chuck (Straight Shank Type)
-

NT Tool Corporation WFP/Tr Series Quick Change Tapping Chuck





