NT TOOL CORPORATION
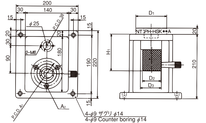
NT Tool Corporation SPN1-HSK Series HSK Clamper

Manufacturer: NT TOOL CORPORATION
Model: SPN1-HSK Series
Feature
- Clamping jig for HSK shank (HSK-A, C or T) holders.
- Height can be measured as well.
Dimensions

| Model | kg |
|---|---|
| SPN1 -HSK40A | 16 |
| SPN1 -HSK50A | 16 |
| SPN1 -HSK63A | 19 |
| SPN1 -HSK100A | 18 |
Related Products
-

NT Tool Corporation NC Tooling System BT-SL2 Arbors
-

NT Tool Corporation NC Tooling System HSK・A-CTZ・SA “R” Zero Holder
-

NT Tool Corporation ISG3430 Shrink Fit System Magnetic Induction Heating Device
-

NT Tool Corporation SPW Series Simple Setter For Tap Adapter
-

NT Tool Corporation NC Tooling System AHO・A-PHC・H Hydraulic Chuck
-

NT Tool Corporation ST-L-PHC Series Hydro Chuck For CNC Automatic Lathe





