NT TOOL CORPORATION
NT Tool Corporation WEN・B-V Series Quick Change Tap Adapter

Manufacturer: NT TOOL CORPORATION
Model: WEN・B-V Series
Features
- Quick Change
- Extended size is suitable for tapping on deep hole.
- Length adjustment facilitates the depth control of re-ground tap.
Specifications

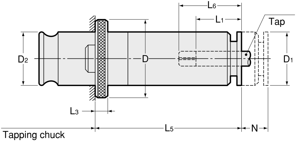
| Model | Tap Size | Chuck Size | Adjustable Length (N) | D | D1 | D2 | L1 | L3 | L5 |
|---|---|---|---|---|---|---|---|---|---|
| WEN0B | M3 ~ M8 (M10) U1/4 ~ U5/16 (U3/8) | 0 | 8 | 22 | 13 | 13 | 15 | 4 | 40 |
| 8 | 22 | 13 | 13 | 15 | 4 | 50 | |||
| 8 | 22 | 13 | 13 | 15 | 4 | 60 | |||
| 8 | 22 | 13 | 13 | 15 | 4 | 70 | |||
| 8 | 22 | 13 | 13 | 15 | 4 | 80 | |||
| 8 | 22 | 13 | 13 | 15 | 4 | 90 | |||
| 8 | 22 | 13 | 13 | 15 | 4 | 100 | |||
| 8 | 22 | 13 | 13 | 15 | 4 | 110 | |||
| 8 | 22 | 13 | 13 | 15 | 4 | 120 | |||
| WEN1B | M3 ~ M12 (M15) U1/4 ~ U7/16 (U9/16) Pipe(PT,PS,PF)1/8 ~ 1/4 | 1 32 | 10 | 30 | 19 | 19 | 17 | 4 | 40 |
| 10 | 30 | 19 | 19 | 17 | 4 | 50 | |||
| 10 | 30 | 19 | 19 | 17 | 4 | 60 | |||
| 10 | 30 | 19 | 19 | 17 | 4 | 70 | |||
| 10 | 30 | 19 | 19 | 17 | 4 | 80 | |||
| 10 | 30 | 19 | 19 | 17 | 4 | 90 | |||
| 10 | 30 | 19 | 19 | 17 | 4 | 100 | |||
| 10 | 30 | 19 | 19 | 17 | 4 | 110 | |||
| 10 | 30 | 19 | 19 | 17 | 4 | 120 | |||
| 10 | 30 | 19 | 19 | 17 | 4 | 130 | |||
| 10 | 30 | 19 | 19 | 17 | 4 | 140 | |||
| WEN2B | M8 ~ M22 U3/8 ~ U7/8 | 2 | 15 | 48 | 30 | 31 | 30 | 5 | 70 |
| 15 | 48 | 30 | 31 | 30 | 5 | 80 | |||
| 15 | 48 | 30 | 31 | 30 | 5 | 90 | |||
| 15 | 48 | 30 | 31 | 30 | 5 | 100 | |||
| 15 | 48 | 30 | 31 | 30 | 5 | 110 | |||
| 15 | 48 | 30 | 31 | 30 | 5 | 120 | |||
| 15 | 48 | 30 | 31 | 30 | 5 | 130 | |||
| 15 | 48 | 30 | 31 | 30 | 5 | 140 | |||
| 15 | 48 | 30 | 31 | 30 | 5 | 150 | |||
| 15 | 48 | 30 | 31 | 30 | 5 | 160 |
Related Products
-

NT Tool Corporation NC Tooling System BT-MTB Arbors
-

NT Tool Corporation NC Tooling System ST-SMH8 Tapping Chuck
-

NT Tool Corporation NC Tooling System AHO・A-PHC・SB Hydraulic Chuck
-

NT Tool Corporation NC Tooling System ST-SMH16 Tapping Chuck
-

NT Tool Corporation MAB Series Morse Taper Adapter
-

NT Tool Corporation NC Tooling System ST-ERC Collet Holder For Small Diameters





