NT TOOL CORPORATION
NT Tool Corporation WESN・B-V Series Quick Change Tap Adapter

Manufacturer: NT TOOL CORPORATION
Model: WESN・B-V Series
Features
- Quick Change
- Extended size is suitable for tapping on deep hole.
- Length adjustment facilitates your depth control of re-ground tap.
- Safety torque clutch actuates to prevent tap breakage when an excessive torque is applied to tap. In this case, a tapping chuck with compression device should be used together.
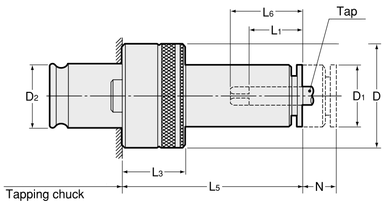
Specifications

| Model | Tap Size | Chuck size | Adjustable length (N) | D | D1 | D2 | L1 | L3 | L5 |
|---|---|---|---|---|---|---|---|---|---|
| WESN0B -40 | M3~M8 (M10) U1/4~U5/16 (U3/8) | 0 | 8 | 23 | 13 | 13 | 15 | 20 | 40 |
| WESN0B -50 | 50 | ||||||||
| WESN0B -60 | 60 | ||||||||
| WESN0B -70 | 70 | ||||||||
| WESN0B -80 | 80 | ||||||||
| WESN0B -90 | 90 | ||||||||
| WESN0B -100 | 100 | ||||||||
| WESN1B -40 | M3~M12 (M15) U1/4~U7/16 (U9/16) Pipe(PT,PS,PF)1/8~1/4 | 1 (32) | 10 | 32 | 19 | 19 | 17 | 25 | 40 |
| WESN1B -50 | 50 | ||||||||
| WESN1B -60 | 60 | ||||||||
| WESN1B -70 | 70 | ||||||||
| WESN1B -80 | 80 | ||||||||
| WESN1B -90 | 90 | ||||||||
| WESN1B -100 | 100 | ||||||||
| WESN1B -110 | 110 | ||||||||
| WESN2B -70 | M8~M22 U3/8~U7/8 | 2 | 15 | 50 | 30 | 31 | 30 | 31 | 70 |
| WESN2B -80 | 80 | ||||||||
| WESN2B -90 | 90 | ||||||||
| WESN2B -100 | 100 | ||||||||
| WESN2B -110 | 110 | ||||||||
| WESN2B -120 | 120 | ||||||||
| WESN2B -130 | 130 | ||||||||
| WESN2B -140 | 140 | ||||||||
| WESN2B -150 | 150 | ||||||||
| WESN2B -160 | 160 |
Related Products
-

NT Tool Corporation WESNE・B/WESNER・B Series Quick Change Tap Adapter
-

NT Tool Corporation Lock Screw Type T
-

NT Tool Corporation H/M Series Adjustable Adapter
-

NT Tool Corporation NC Tooling System AHO・A-SMH16 Tapping Chuck
-

NT Tool Corporation NC Tooling System AHO/ A-PHC/ SB-NC “R” Zero Holder
-

NT Tool Corporation NC Tooling System SGA Single Cutter Head





