Osaka Vacuum
Osaka R6002 Roots Vacuum Pumps

Manufacturer: Osaka Vacuum, Ltd.
Model: R6002
Features
- Strong rotary shaft.
→ Enables start-up and continuous operation in low vacuum.
Optimal motor capacity can be selected to fit the specific load.
→ Less equipment cost, less operation cost.
Wide range of pump speed lineup.
→ 90~12,000m3/h
Work with various backing pumps.
→Roots+oil-sealed rotary, liquid-ring
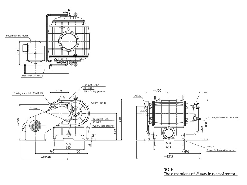
Specifications
| Inlet flange | 300A JIS5KFF | |
| Nominal volume flow rate ※1 (m3/h) | 50Hz | 6000 |
| 60Hz | 6000 | |
| Allowable pressure difference (kPa) [When using a standard motor] | 50Hz | 4.7 |
| 60Hz | 4.7 | |
| Base pressure (Pa) | Back pump single-stage RP | 7×10-2 |
| Back pump 2-stage RP | 1.3×10-2 | |
| Volume flow rate of standard backing pump (m3/h) | 690~900 | |
| Rotation speed (r/min) | 50Hz | 1200 |
| 60Hz | 1200 | |
| Standard motor output (kW) | 11 | |
| Oil capacity (L) | 2.5 | |
| Cooling water consumption ※2 (m3/h) | 1.1 | |
| Weight (kg) | With totally enclosed fan cooling motor | 1050 |
| Without motor | 940 | |
*1 : The effective volume flow rate varies according to the backing pump. For details, contact our sales representative.
*2 : Maximum cooling water temperature should be 30℃.
-Allowable ambient temperature: 10 to 40℃ during operation, -5 to +60℃ in storage.
-Drain water before storing to prevent freezing over.
Dimensions












