Osaka Vacuum
Osaka TG3413 Turbo Molecular Pumps

Manufacturer: Osaka Vacuum, Ltd.
Model: TG3413
Features
- Corrosive resistant type for corrosive gases.
- Durable structure for air inrush.
- Sturdy resists external impacts.
- Serial communication
※RS232C Serial interface - Conforms to recognized safety standard
NRTL / SEMI-S2 / CE
Specifications
| Inlet flange | VG350 | |
| Volume flow rate | N2 (L/s) | 3400 |
| N2 (with protective screen) (L/s) | 3200 | |
| H2 (L/s) | 2600 | |
| Max. compression ratio | N2 | 1×108 |
| H2 | 6×103 | |
| Base pressure | VG (Pa) | <1×10-6 |
| VG (Torr) | <7.5×10-9 | |
| Max. throughput ※1 | N2 (sccm) | 543 |
| Startup time | (min) | 10-15 |
| Shutdown time | (min) | 25-30 |
| Max. backing pressure | (Pa / Torr) | 270/2 |
| Recommended backing vacuum pump | (L/min) | 1500 |
| Amount of lubrication oil required | (mL) | 260 |
| Position | Vertical(±10℃) | |
| Weight | (kg) | 100 |
| Comtroller | TC3213 | |
- *1: When using a backing vacuum pump of 3000L/min.
- [Ambient temperature for use]
- The ambient temperature range to ensure you reach the ultimate pressure is 10-23℃. The permissible ambient temperature is 10-32℃ for air cooling type and 10-40℃ for water cooling type. The maximum temperature for the cooling water which ensures the ultimate pressure is 30℃ and the allowable temperature range for cooling water is 10-35℃.
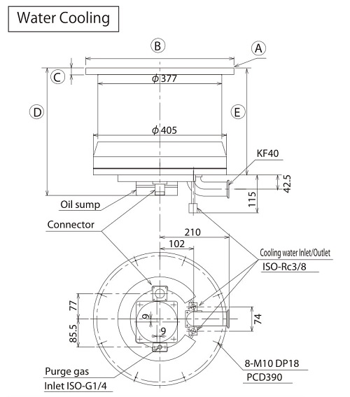
Dimensions

| Ⓐ | Ⓑ | Ⓒ | Ⓓ | Ⓔ |
| VG250 | φ350 | 21 | 425 | 363 |
| ISO-B250 | φ335 | 16 | 425 | 363 |
- Bolt holes for the flange on the intake are arranged symmetrically around the centerline.
Reprinting prohibited without permission. Contents are subject to change without notice.











