Osaka Vacuum
Osaka TS440 / 443 Turbo Molecular Pumps

Manufacturer: Osaka Vacuum, Ltd.
Model: TS440 / 443
Features
- All helical groove stage type rotor
- High gas throughput at medium to low vacuum
- Durable structure against more than 300,000 times of air inrush
- Conformance to safety standards: NRTL / SEMI-S2 / CE
Specifications
| Inlet flange | VG150 CF160 ISO-B160 | |
| Volume flow rate | N2 (L/s) | 440 |
| N2 (with protective screen) (L/s) | 410 | |
| H2 (L/s) | 320 | |
| Max. compression ratio | N2 | 2×106 |
| H2 | 1×103 | |
| Max. throughput *1, *2 | N2 (sccm) | 10860 |
| Startup time | (min) | 10~14 |
| Shutdown time | (min) | 23~28 |
| Base pressure *3 | (Pa) | < 1×10-5 |
| (Torr) | < 7.5×10-8 | |
| Max. backing pressure | (Pa) | 2000 |
| (Torr) | 15 | |
| Recommended backing pump | (L/min) | ≧500 |
| Orientation | Vertical (±10°) | |
| Weight | (kg) | 60 |
*1: 1Pa・L/s(25℃)=0.543sccm(0℃, 1atm)
*2: When using a backing vacuum pump of 1000L/min.
*3: Pressure attained after 48 hours of bake-out.
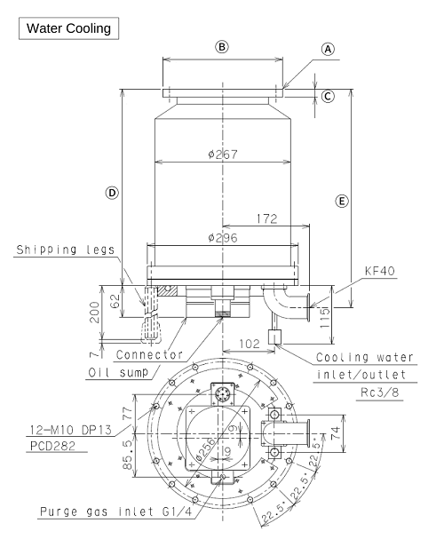
Dimensions

| Ⓐ | Ⓑ | Ⓒ | Ⓓ | Ⓔ |
| VG150 | φ235 | 16 | 387 | 430 |
| CF160 | φ203 | 22 | 387 | 430 |
| ISO-B160 | φ225 | 16 | 387 | 430 |
・All bolt holes of the inlet flanges straddle the centerlines.
* Reprinting is prohibited without permission. Contents are subject to change without notice.











