Sakaguchi Electric Heaters CO.
Sakaguchi Brim insulator

Manufacturer: Sakaguchi Electric Heaters CO., LTD.
Features
Specifications
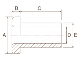
| Product Name | Dimensions (mm) | Product Code | ![]() | ||||
|---|---|---|---|---|---|---|---|
| A | B | C | D | E | |||
| 3×5×6 | 9 | 2 | 6 | 3 | 5 | TG356 | |
| 3×5×8 | 9 | 2 | 7.5 | 3 | 5 | TG358 | |
| 3×6×6 | 9 | 2 | 6 | 3 | 6 | TG366 | |
| 3×6×18 | 9 | 2 | 18 | 3 | 6 | TG3618 | |
| 4×8×12 | 12 | 2 | 12 | 4 | 8 | TG4812 | |
| 4×8×18 | 12 | 2 | 18 | 4 | 8 | TG4818 | |
| 4×11×150 | 16 | 5 | 151 | 4 | 11 | TG411150 | |
| 3 minutes 1 inch (parallel) | 19 | 5 | 30 | 7.5 | 13 | TG3B1SN | |
| 3 minutes 5 inches (parallel) | 19 | 5 | 150 | 7.5 | 13 | TG3B5SN | |
| 3 minutes 5 inches (positive) | 22 | 6 | 150 | 9 | 16 | TG3B5SS | |
| 4 minutes 1 inch | 27 | 6 | 30 | 12 | 18 | TG4B1S | |
| 4 minutes 5 inches | 27 | 6 | 150 | 12 | 18 | TG4B5S | |
| 5 minutes 1 inch | 31 | 7 | 30 | 15 | 24 | TG5B1S | |
| 5 minutes 5 inches | 31 | 7 | 150 | 15 | 24 | TG5B5S | |
| 6 minutes 1 inch | 36 | 8 | 30 | 18 | 27 | TG6B1S | |
| 6 minutes 5 inches | 36 | 8 | 150 | 18 | 27 | TG6B5S | |
| 1 inch 5 inch | 56 | 13 | 150 | 26 | 43 | TG1S5S | |












