Sakaguchi Electric Heaters CO.
Sakaguchi M2 flexi heater

Manufacturer: Sakaguchi Electric Heaters CO., LTD.
Features
- The extremely thin outer diameter allows it to be installed in places where it is impossible to install it with a sheath heater.
- The heater is thin and flexible, so it can easily bend and wound. (Minimum bending radius: 3 times the outer diameter of the sheath)
- It is finished in a thin tube, and the temperature of the heating element transmit quickly due to its small heat capacity.
- The resistance per unit length is constant.
- The sheath part makes of metal tubular SUS316, so it is highly durable even at high temperatures.
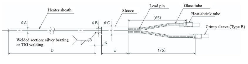
Specifications

| Model | Voltage | Capacity (W) (±10%) | W Density (W/cm²) | Dimensions (mm) | Product Code | ||||
|---|---|---|---|---|---|---|---|---|---|
| ΦA | ΦB | ΦC | D | E | |||||
| 1M-2-200 1M-2-400 1M-2-500 1M-2-700 1M-2-1000 1M-2-1500 | 100V | 200 400 500 700 1000 1500 | 2.3 2.8 2.8 3.5 3.5 4.7 | 1.6 2.4 2.8 3.2 4.0 4.8 | 2.7 4.5 4.5 4.5 ― ― | 6.5 8.0 8.0 8.0 8.0 8.0 | 1700 1900 2000 2000 2250 2100 | 30 30 30 30 70 70 | 1M2200 1M2400 1M2500 1M2700 1M21000 1M21500 |
| 2M-2-400 2M-2-700 2M-2-1000 2M-2-1500 2M-2-2000 2M-2-3000 | 200V | 400 700 1000 1500 2000 3000 | 2.5 2.2 2.7 4.0 3.5 4.7 | 1.6 2.4 2.8 3.2 4.0 4.8 | 2.7 4.5 4.5 4.5 ― ― | 6.5 8.0 8.0 8.0 8.0 8.0 | 3200 4200 4200 3700 4500 4200 | 30 30 30 30 70 70 | 2M2400 2M2700 2M21000 2M21500 2M22000 2M23000 |











