Sakaguchi Electric Heaters CO.
Sakaguchi MCA1000N Micro Cable Air Heater

Manufacturer: Sakaguchi Electric Heaters CO., LTD.
Model: MCA1000N
Features
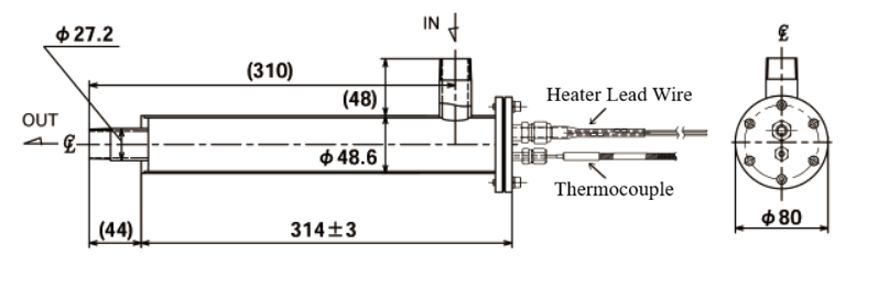
- The high-efficiency, high-speed heating element uses a thin tubular sheath heater.
- In addition, the specially designed bent structure greatly improves gas heating efficiency.
- For safety, a thermocouple is built directly into the sheath heater.
- As a result, the temperature can control below the maximum operating limit, which suppresses overheating and ensures safe operation.
Specifications

| Model number | MCA1000N |
|---|---|
| Freeze frame | 200V 1000W |
| Insulation resistance | DC500V 5MΩ or more |
| Insulation Voltage | AC400V/1 min Sensing current 10mA |
| Maximum operating temperature | 500°C (with built-in thermocouple) |
| Working gas pressure | Capable of up to 0.3 MPa (3 kgf/cm²) |
| Material | SUS316 (heater sheath/sheath thermocouple), SUS304 (enclosure) |
| Heated object | Air, inert gas, etc. |
| Flow | 60NL/min ~ 500NL/min |
| Blowing tip temperature | Refer to the temperature characteristic graph |
| Doorway Fittings | PT3/4 |
| Heater lead wire | 500mm (uncut) |
| Thermocouple | K type (grounding type), 2000 mm compensating conductor (with Y terminal for M4) |











