Sakaguchi Electric Heaters CO.
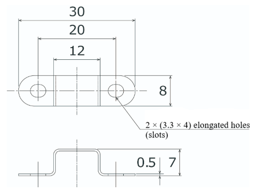
Sakaguchi Mounting Bracket

Manufacturer: Sakaguchi Electric Heaters CO., LTD.
Specifications

| Material | Product Code |
|---|---|
| SUS304 | ICPTK |

Manufacturer: Sakaguchi Electric Heaters CO., LTD.

| Material | Product Code |
|---|---|
| SUS304 | ICPTK |
Copyright © Kouei Japan Trading | Get Quotation