Sakaguchi Peltier Kit (SPE-UC-200)

  • Manufacturer: Sakaguchi Electric Heaters CO., LTD.

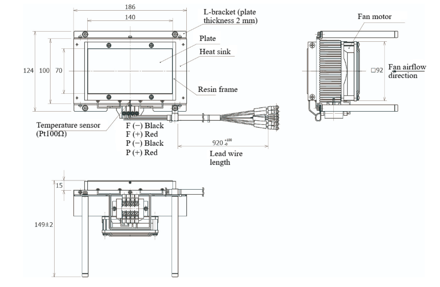
    Features

    • Peltier’s drive power supply adopts a unique circuit system, so it is a highly efficient and high-precision product.
    • The hardware is simple and miniaturized.
    • It adopts platinum resistance temperature sensor and PID control system.

    Specifications

REQUEST QUOTATION

PAYMENT

payment-methods

LINK

koueigroup-banner1
koueigroup-banner1

Return Top