Sakaguchi Electric Heaters CO.
Sakaguchi Stainless Steel Flange Heater

Manufacturer: Sakaguchi Electric Heaters CO., LTD.
Features
Specifications

2 kW to 5 kW type

10 kW type
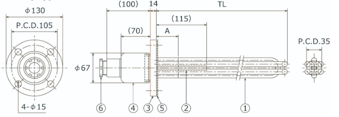
| Product number | Product Name | Materials | Quantity | Remarks |
|---|---|---|---|---|
| ① | Sheath heater | SUS316L | 3 | φ12 (pickling) |
| ② | Protective tube | SUS316L | 1 | φ12×10 (pickling) |
| ③ | Flange | SUS304 | 1 | JIS 5K 50A (Pickling) |
| ④ | Bake cap | Bakelite | 1 | 2KW~5KW Type |
| Aluminum Cap | Aluminum | 1 | 10KW Type | |
| ⑤ | Packing | ― | 1 | Non-Ass Sheet |
| ⑥ | Clamping ground | BS Nickel Plating | 1 | G3/4 (2KW~5KW type) |
| G1 (10KW type) |
| Rated voltage | Capacity (±10%) | Watt Density | Fever Total Length (TL) | Non-heating part (A) | Heater Outer Diameter/Number | Operating Temperature (MAX) | Withstand voltage | Insulation resistance | Product Code |
|---|---|---|---|---|---|---|---|---|---|
| Three-phase 200V | 2KW | Approx. 4.6 W/cm2 | 250mm | (50)mm | φ12×3 | 100℃ | AC1500V/1 minute | More than 20MΩ with a 500V DC insulator | OF320(※) |
| Three-phase 200V | 3KW | Approx. 5.4 W/cm2 | 300mm | (50)mm | φ12×3 | 100℃ | AC1500V/1 minute | More than 20MΩ with a 500V DC insulator | OF330 |
| Three-phase 200V | 5KW | Approx. 6.4 W/cm2 | 400mm | (50)mm | φ12×3 | 100℃ | AC1500V/1 minute | More than 20MΩ with a 500V DC insulator | OF350 |
| Three-phase 200V | 10KW | Approx. 7.4 W/cm2 | 650mm | (50)mm | φ12×3 | 100℃ | AC1500V/1 minute | More than 20MΩ with a 500V DC insulator | OF3100 |











