Sakaguchi Electric Heaters CO.
Sakaguchi T-35 N-Sheath Thermocouple Ungrounded

Manufacturer: Sakaguchi Electric Heaters CO., LTD.
Model: T-35 N-Sheath
Features
Specifications
| N (Nyclosyl/Nycil) | |
|---|---|
| +Pole | -Pole |
| Alloys mainly composed of nickel (84.6%), chromium (14%) and silicon (1.4%). | Alloys mainly composed of nickel (95.5%), silicon (4.4%) and magnesium (0.1%). |
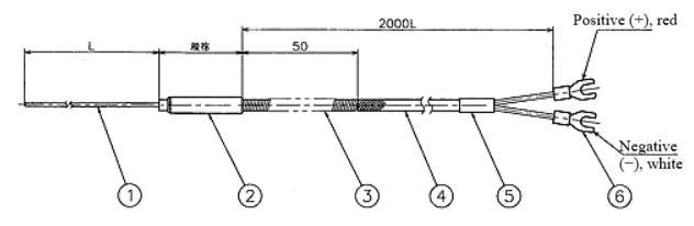
| Number | Product Name | Materials | Number of units | Remarks |
|---|---|---|---|---|
| ① | Sheath | Inconel | 1 | |
| ② | Sleeve | 1 | Heat resistance temperature 70°C | |
| ③ | Protective spring | SUS | 1 | |
| ④ | Compensation Conductor | 1 | Peach, 0.5sq×2m | |
| ⑤ | Sumi Tube | 1 | Red | |
| ⑥ | Crimp terminals | 2 |
| Model number | Dimensions (mm) | Common Temperatures | Product Code | ||
|---|---|---|---|---|---|
| Diameter φ | Length (L) | Sleep Dimensions | |||
| T-35-1 | 1.0 | 200 300 | φ6.4×36L | 650℃ | T35N102H T35N103H |
| T-35-2 | 1.6 | 100 200 300 | φ6.4×36L | 650℃ | T35N161H T35N162H T35N163H |
| T-35-3 | 2.3 | 100 | φ8.0×36L | 650℃ | T35N231H |
| T-35-4 | 3.2 | 100 200 300 | φ8.0×36L | 750℃ | T35N321H T35N322H T35N323H |
| T-35-5 | 4.8 | 100 200 300 | φ10.0×43L | 900℃ | T35N481H T35N482H T35N483H |











