Sakaguchi Electric Heaters CO.
Sakaguchi Thread Cutting Insulator

Manufacturer: Sakaguchi Electric Heaters CO., LTD.
Features
Specifications
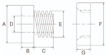
| Product Name | Dimensions (mm) | Product Code | ![]() | ||||||
|---|---|---|---|---|---|---|---|---|---|
| A | B | C | D | E | F | G | |||
| 4 min. 5 min. | 30 | 10 | 15 | 13 | 21 | 35 | 12 | NG4B5B | |
| 5 points 5 points | 33 | 10 | 15 | 17 | 24 | 37 | 11 | NG5B5B | |












