SAN-E TEC Co.
SAN-E TEC CTS Series Magnetostrictive Rotating Torque Sensors

Manufacturer: SAN-E TEC Co., Ltd.
Model: CTS Series
Features
- Small and lightweight
- Most suitable for embedding system
- Noncontact, highly reliable, highly responsive
- Easy centering of shaft (spigot joint)
- Simultaneous output when power is supplied
- Support zero-reset function
Specifications
| Model | CTS series | |
|---|---|---|
| Accuracy | ±0.3% F.S. (CW/CCW continuous operation) | |
| Power supply voltage | * DC±12V±0.5V | |
| Power consumption | ±200mA | |
| Output voltage | * -2V to +2V | |
| Responsiveness | * to 1kHz | |
| Operating temperature range | Sensor | * -30 to +120 degree C |
| Amplifier | -10 to +60 degree C | |
| Humidity range | 15% R.H. to 85% R.H. (No condensation) | |
| Zero-point temperature coefficient | ±0.4% F.S./10 degree C | |
| IP code | (DINEN60529) | * IP60 |
| Length of cable | * 2m | |
Mechanical specifications
| P/N | Rated torque [Nm] | Shaft diameter [mm] | Torsional rigidity [Nm/rad] | Maximum rotations [r.p.m] | Moment of inertia [gcm2] | Allowable overload [%] | Critical overload [%] | Weight [g] |
|---|---|---|---|---|---|---|---|---|
| CTS0001 | 0.1 | 3 | 11 | 10,000 | 0.04 | 200 | 400 | 200 |
| CTS0005 | 0.5 | 6 | 182 | 10,000 | 0.69 | 200 | 400 | 210 |
The torsional rigidity indicates the value when the couplings are fixed at points 3mm from both ends of the case.
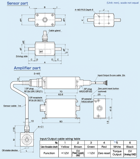
Dimensional

| P/N | A | B | C | E | F | L | M |
|---|---|---|---|---|---|---|---|
| CTS0001 | 70 | 40 | 13.5 | 3h7 | 20h7 | 28 | 29 |
| CTS0005 | 70 | 40 | 13.5 | 6h7 | 20h7 | 28 | 29 |
Related Products
-

SAN-E TEC SM-S10C Metal Material Detection Sensors/Metal Detection Sensors
-

SAN-E TEC SS-280L Space Sensors
-

SAN-E TEC Differential Type Magnetic Heads For Banknote Discrimination
-

SAN-E TEC MTS Series Magnetostrictive Rotating Torque Sensors
-

SAN-E TEC Magnetic Heads For Card Readers
-

SAN-E TEC SM-S10C Metal Material Detection Sensors/Metal Detection Sensors





