SAN-E TEC Co.
SAN-E TEC SS-1210V Space Sensors

Manufacturer: SAN-E TEC Co., Ltd.
Model: SS-1210V
Specifications
| Item | Specifications |
|---|---|
| Power supply voltage (ripple (p-p): 5% or less) | DC.+12V to +25V |
| Stabilized power supply circuit | Built-in |
| Consumption current | Max. 8mA |
| Measurement range | 0.0㎜ to 3.5㎜ |
| Resolution | 0.2%F.S. |
| Output voltage (iron □40×3mm) | 1.2V to 3.8V |
| Frequency characteristic | DC .to 5kHz(-3dB) |
| Output form | Open collector |
| Operating temperature range | ー20℃ to +85℃ |
| Protective structure | IP67 |
| Vibration performance | 10Hz to 55Hz double amplitude: 1.5㎜ |
| Impact resistance | 50G |
| Tightening torque | 100 kgf・cm or less |
* If you need an indicator, please consult us.
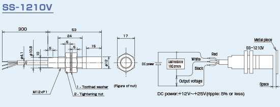
Dimensional

Related Products
-

SAN-E TEC SM-S10C Metal Material Detection Sensors/Metal Detection Sensors
-

SAN-E TEC Differential Type Magnetic Heads For Banknote Discrimination
-

SAN-E TEC Station Service Device Magnetic Heads For Automatic Ticket Gates
-

SAN-E TEC Magnetic Heads For Passbooks
-

SAN-E TEC CS□□0A Pass Type Counting Sensors
-

SAN-E TEC TSxxxx Arithmetic Displays For Sensors





