Simotec Open/Close Detection Sensor (Magnetic Switch) – Magnetic Switch Type

Manufacturer: Shimonishi Giken Kogyo Co., Ltd
Product name: Open/Close Detection Sensor

Overview

An open/close detection sensor uses a magnet to combine the open/close detection function with the door holding function. It is also called a magnetically attracted door switch or a magnetic catch with a switch.

There are two types of open/close detection sensors: NC (normally closed) type, which switches on when the door is opened, and NO (normally open) type, which switches off when the door is opened. These sensors consist of a magnet, yoke, reed switch, and steel plate that is attracted to the magnet.

With the NC type, when the door is closed, the reed switch contacts remain open (switch OFF). When the door is opened, the magnetic control closes the reed switch contacts (switch ON).

On the other hand, the NO type keeps the reed switch contacts closed (switch ON) even when the door is closed. When the door is opened, the magnetic control opens the reed switch contacts (switch OFF).

Features

  • Internal magnetic control switches on/off
  • Equipped with both door lock and open/close switch functions
  • Small mounting area, ideal for compact equipment
  • High reliability due to the use of a reed switch for the electrical contacts
  • Guaranteed to open and close 100,000 times
  • · Two types of contact operation: NC (normally closed) and NO (normally open)
  • – Flat adsorption surface
  • ・Large contact capacity allows for a wider range of circuit configurations
  • ・Screws can be fastened in two directions, horizontally and vertically

Purpose of use

    • ・General information and communication equipment, door sensors for FA equipment
  • ・Door switch magnets, etc.

specification

Part NumberCA0250-A01CA0253-A01CA0256-A01
Operates when magnetic material is attractedONOFFON
Operates when magnetic material is releasedOFFONOFF
Adsorption power29.4 N or more29.4 N or more9.8 N or more
Contact OperationNONCNO
magnetAnisotropic Ferrite
yokeSPCC
casePC Black
Lead wireUL3385, AWG#26, 250mm
Mounting screw tightening torque0.21Nm or less
Switch TypeReed switch
Switch Contact CapacityMax 10W
Switch Operating VoltageMax 100VDC
Switch currentMax 0.5A
Switch initial contact resistanceMax 0.15Ω
Adsorption durabilityOver 100,000 times
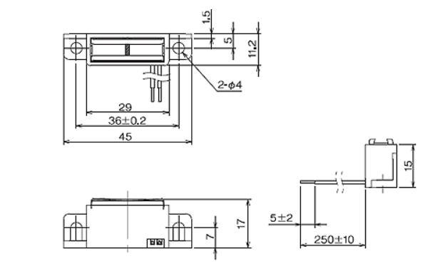
size
Recommended suction plateDimensions: 29 x 16 x 1.6 t, Material: SPCC equivalent.
However, when fastening with flat screws, make sure the screws do not come into contact with the yoke surface.
Also, when using a suction plate, the suction force tends to be weaker than when using a standard weight.
Operating temperature0 to 60°C

Usage notes

– Please note that applying excessive shock to the switch may damage the inside of the switch and cause it to malfunction.

– Do not store or use in a strong magnetic field.

– If adhesive or other substances that create air gaps adhere to the suction surface of this product, operation may become unstable.

REQUEST QUOTATION

PAYMENT

payment-methods

LINK

koueigroup-banner1
koueigroup-banner1

Return Top