Suntest
Suntest ARR Analogue Output And All-In-One Type

Manufacturer: Suntest Co.,Ltd
Model: ARR
ARR series is rotation angle sensor with simple strcture.It has an eccentric rotor which is linked to the shaft,and coils on 4 stator poles inside. And it detects magnetic induction variation and converts to absolute output (0-10V or ±10V,4-20mA). Preset function (setting 4mA or OV at any position) and switch function (CW or CCW) is available.
Specifications
| Total rev. | Single turn(270°) 30 turns 60 turns 120 turns 240 turns |
|---|---|
| Resolution/rev. | single turn:8192 30 turns:2048 60 turns:1024 120 turns:512 240 turns:256 |
| Accuracy | ±0.5° |
| Output | Current output:4 – 20mA (R:Max.500Ω) Voltage output:0 – 10V, -10 – +10V (current:Max.5mA, R:Min. 2kΩ) Others:ready output (NPN or PNP selectable) |
| Power supply | DC24V ±20% (consumption:less than 100mA) |
| Sampling freq. | 1ms |
| Start-up torque | < 5N・cm |
| Mechanical permissible speed | 3600rpm |
| Lifetime | 5.5 x 10⁴ hours |
| Operating temp. | -20 -80°C |
| Strage temp. | -30 -90°C |
| Vibration | 10G |
| Shock | 500G |
| Protection | IP52 |
Model No.
Single turn
ARR–S1–②-10(Shaft Φ10)-G2F(Pigtail cable: 2m, Cable end: free)
Multi turn
ARR-M①-②-10-G2F
Extension cable
CL-ARR-S-③-FF
①Total rev.
30, 60, 120, 240
②Output
V : 0 ∼ 10V
W : ±10V
A : 4 ∼ 20mA
③Cable length (m)
Zero-full setting and change (or fine adjustment) of effective angle is possible with accessory “XVR Manager” (download of software and connecting terminal). And monitoring the present value or alam status is also possible.
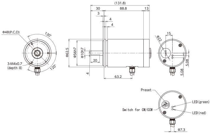
Dimensions

Cable
Red : Power (DC24V)
White : 0V
Green : Preset (IN) NPN or PNP selectable
Blue : Ready (OUT) NPN or PNP selectable
Yellow : Select wire for NPN or PNP
(connect to 0V : NPN)
(connect to 24V : PNP)
Brown : Analog output (0 ~ 10V, ±10V, 4 ~ 20mA)
Black : Output COM











