Suntest
Suntest GYPMR Probe

Manufacturer: Suntest Co.,Ltd
Model: GYPMR
Magnetostrictive Displaiacement Transducer
Model GY Series are “Displacement Transducers” employing magnetostrictive phenomena, especially the Wiedemann effect. An ultra-sonic wave is generated by a moving magnet operating near a magnetostrictive wave guide on which the sonic wave propagates up to the head of the transducer.
The propagation time is precisely measured by state of the art technology and then the absolute displacement transducer is operational.

[ Principle ]
The figure shows the fundamental principle of operation.
When a current pulse like A is given to the wave guide, it generates a circumferential magnetic field on the wave guide, then placement of the movable magnet (polarized axially) as shown, only the axial magnetic field of the magnet affecting the wave guide produces a resultant field as indicated by the dotted line.
The vector combination of these two fields produces torsional strain, a phenomenon known as the Wiedemann Effect.
It is a form of vibration and propagates along the wave guide in the form of a transverse ultra-sonic wave.
The GY series displacement transducers detect the propagation time of the ultra-sonic wave.
GYPMR Probe.
Compact head

GYPMR probe has been developed as the most compact head type.
Applying to hydraulic cylinder, its total length becomes space saving.
◆Associated controller
- Analogue output:GYHC
- Digital output:GYDC-S1, GYDC-05
- IRDS-GY : When using the IRDM, you can connect with CC-Link, CC-Link IE Field, PROFIBUS, EtherNet/IP, and EtherCAT.
Specifications
| Non-linearity | ≦±0.05%FS Typ. |
|---|---|
| Resolution | ( Analogue) ≦0.01%FS ( Digital ) 0.1mm |
| Repeatablity | ≦±0.01%FS |
| Temp. drift | ≦±70ppmFS |
| Max. Pressure | 35MPa ( probe rod ) |
| Operating temp. | -20°C〜+80°C |
| Storage temp. | -40°C〜+80°C |
| Vibration | 6G ( or 40Hz 2mmPP ) |
| Shock | 20G ( 2msec ) |
| IP grade | IP67 |
- The above mentioned accuracy applies to sensors with an effective stroke of 300mm or more.
- The specification of stroke less than 300mm is equal that of stroke 300mm.
Model No.

① Effective stroke
15mm〜2000mm
② Head dead zone
20:20mm (Std.)
□:□mm ( option ) ( specified by customers )
・Possible Min. length depends on the selected magnet or float.
③ Tip dead zone
□:70mm (Std.)
・S (Std. length) depends on the selected magnet or float in ⑤.
| tip DZ | magnet |
|---|---|
| 70mm | MG178, M2PN, M11N, MG0 |
| 100mm | T144, T163 |
□: □mm (option)(specified by customers)
・Possible Min. length depends on the selected magnet or float.
④ Thread / Rod diameter
P8 :O-ring, rod Φ8 (Std.)
⑤ Associated magnet
| magnet |
|---|
| MG178 :No.178 (Std.) M2PN :No.2PN ( ≦stroke 1000mm ) M11N :No.11N ( ≦stroke 1000mm ) T144 :No.T14-M4 T163 :No.T16-M3 |
・Selecting magnet from page 116-118(GG).
・Please consult our factory in case of requesting special magnet or float.
・This model code means only specifying associated magnet or float.
・Ordering magnet or float individually.
⑥ Cable connection
G□F :pigtail / cable end : free
G□A :pigtail / cable end : with connector for relay
( □:cable length (m), Max.10m ) (*)
(*) In case of using extension cable
sensor cable (m) + extension cable (m) ≦ 100m
・Please consider extension cable on page 120〜122.
⑦ Output
00 :depends on external controller
Dimensions
Probe

No.178 magnet

Cable (robot cable)
| Wire color | Function |
|---|---|
| shield | shield |
| white | sensor signal |
| black | 0V |
| red | sensor power |
- shield should be connected to shield terminal of the controller.
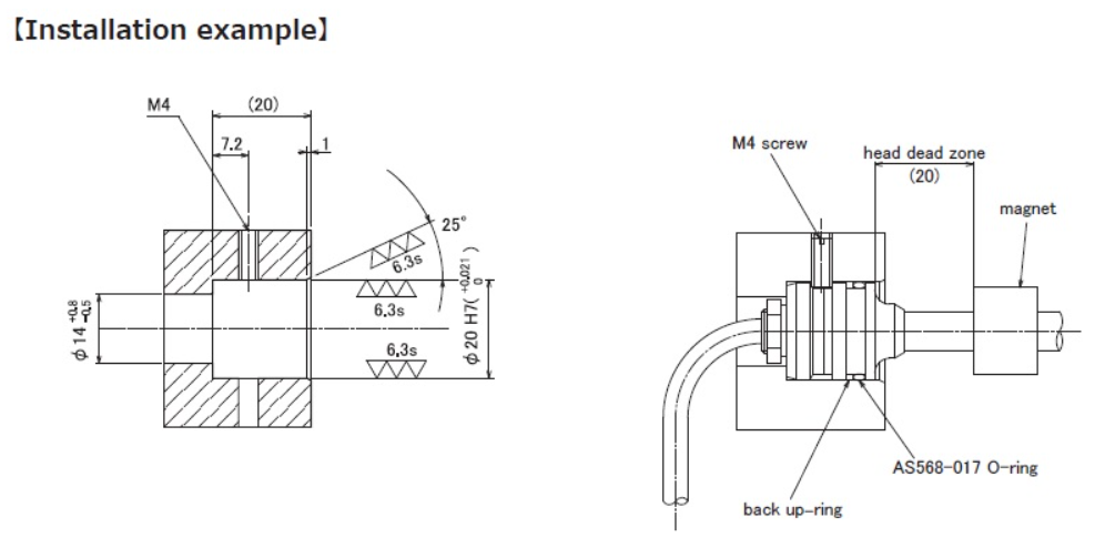
Installation example












