THING TECH CO., LTD.
Thing Tech JBSP/ JBSW Series Steel JB Arm

Manufacturer: THING TECH CO., LTD.
Model: JBSP/ JBSW Series
Arm
An introduction to our Arm product group, starting with the user-friendly T-Arm.
These are extremely useful pieces of equipment, effective in loading assistance and various operational scenarios.
Used in These Applications
- Move products while lifting them.
- Rotate and balance adjust products, such as between assembly lines.
- Lift products easily.
![]() | ![]() | ![]() | ![]() |
| Slider Ace 80H | Arm Installation Image | 350 kg Electric Arm | Seat Hook/Catch |
JB Arm
Shin-Tech’s JB Arm uses aluminum or steel rails. It reduces the operator’s burden regarding light sliding movement and swiveling. In combination with the Knight Air Balancer or Slider Ace, three-dimensional conveyance and transfer are possible even in locations without overhead suspension space.
- The JB Arm Series lineup features load capacities ranging from 60 kg to 500 kg.
- This product was developed by our company and is a purely Japanese-made product.
- We handle everything from design to manufacturing and installation work.
- A rich variety of options are available.
- We deliver products that meet the customer’s working environment and needs.
Swivel Brake for JB Arm

Steel JB Arm
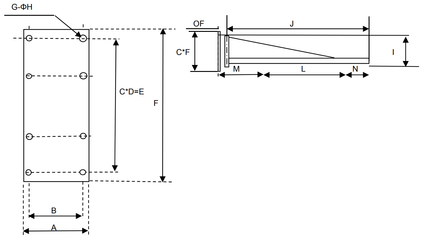
The Steel JB Arm is available in floor-mounted and wall-mounted types. It uses Knight Steel Rail, and by attaching a hoist or air balancer, it can easily perform three-dimensional movements.
| Model (for Post Mounting) | JB Arm Length (mm) | K Rail Height (mm) | J Arm Total Length (mm) | K+I Total Height (mm) | L Rail Operating Range (mm) | Offset (mm) | Maximum Lifting Load (kg) | B | C | E | F | G | H | I | M | N | O |
|---|---|---|---|---|---|---|---|---|---|---|---|---|---|---|---|---|---|
| JBSP 2 30–60 | 2,000 | 3,000 | 2,052 | 3,675 | 1,550 | 240 | 60 | 460 | 500 | 460 | 500 | φ20 | φ165.2 | 655 | 542 | 200 | 200 |
| JBSP 3 30–60 | 3,000 | 3,000 | 3,052 | 3,675 | 2,450 | 240 | 60 | 460 | 500 | 460 | 500 | φ20 | φ165.2 | 655 | 642 | 200 | 200 |
| JBSP 4 30–60 | 4,000 | 3,000 | 4,052 | 3,675 | 3,450 | 275 | 60 | 460 | 500 | 460 | 500 | φ20 | φ216.3 | 655 | 677 | 200 | 200 |
| JBSP 5 30–60 | 5,000 | 3,000 | 5,052 | 3,675 | 4,350 | 275 | 60 | 460 | 500 | 460 | 500 | φ20 | φ216.3 | 655 | 777 | 200 | 200 |
| JBSP 2 30–125 | 2,000 | 3,000 | 2,052 | 3,675 | 1,550 | 275 | 125 | 460 | 500 | 460 | 500 | φ20 | φ216.3 | 655 | 577 | 200 | 200 |
| JBSP 3 30–125 | 3,000 | 3,000 | 3,052 | 3,675 | 2,450 | 275 | 125 | 460 | 500 | 460 | 500 | φ20 | φ216.3 | 655 | 677 | 250 | 200 |
| JBSP 4 30–125 | 4,000 | 3,000 | 4,052 | 3,675 | 3,450 | 300 | 125 | 460 | 500 | 460 | 500 | φ20 | φ267.4 | 655 | 702 | 250 | 200 |
| JBSP 5 30–125 | 5,000 | 3,000 | 5,052 | 3,675 | 4,300 | 300 | 125 | 560 | 600 | 560 | 600 | φ20 | φ267.4 | 655 | 807 | 250 | 200 |
| JBSP 2 30–250 | 2,000 | 3,000 | 2,052 | 3,675 | 1,550 | 300 | 250 | 460 | 500 | 460 | 500 | φ20 | φ267.4 | 655 | 602 | 200 | 200 |
| JBSP 3 30–250 | 3,000 | 3,000 | 3,052 | 3,675 | 2,450 | 300 | 250 | 460 | 500 | 460 | 500 | φ20 | φ267.4 | 655 | 702 | 200 | 200 |
| JBSP 4 30–250 | 4,000 | 3,000 | 4,057 | 4,040 | 3,400 | 310 | 250 | 560 | 600 | 560 | 600 | φ25 | φ267.4 | 1,015 | 717 | 250 | 200 |
| JBSP 5 30–250 | 5,000 | 3,000 | 5,057 | 4,040 | 4,300 | 310 | 250 | 650 | 700 | 650 | 700 | φ25 | φ267.4 | 1,015 | 817 | 250 | 250 |
| JBSP 2 30–490 | 2,000 | 3,000 | 4,095 | 3,900 | 1,200 | 310 | 490 | 460 | 500 | 460 | 500 | φ20 | φ267.4 | 900 | 610 | 250 | 200 |
| JBSP 3 30–490 | 3,000 | 3,000 | 3,957 | 3,680 | 2,350 | 310 | 490 | 650 | 700 | 650 | 700 | φ25 | φ267.4 | 658 | 767 | 250 | 250 |
| JBSP 4 30–490 | 4,000 | 3,000 | 4,057 | 4,040 | 3,400 | 310 | 490 | 800 | 850 | 800 | 850 | φ25 | φ267.4 | 1,015 | 717 | 250 | 250 |
| JBSP 5 30–490 | 5,000 | 3,000 | 5,057 | 4,040 | 4,300 | 310 | 490 | 800 | 850 | 800 | 850 | φ25 | φ267.4 | 1,015 | 817 | 250 | 250 |

| Model (for Post Mounting) | JB Arm Length (mm) | K | J | K+I | L | Offset (mm) | Maximum Lifting Load (kg) | A | B | C | D | E | F | G | H | I | M | N |
|---|---|---|---|---|---|---|---|---|---|---|---|---|---|---|---|---|---|---|
| Rail Height (mm) | Arm Length (mm) | Total Height (mm) | Rail Operating Range (mm) | |||||||||||||||
| JBSW 2 30–60 | 2,000 | 3,000 | 2,052 | 3,675 | 1,550 | 240 | 60 | 300 | 260 | 3 | 340 | 1,020 | 1,070 | 8 | φ17 | 655 | 542 | 200 |
| JBSW 3 30–60 | 3,000 | 3,000 | 3,052 | 3,675 | 2,450 | 240 | 60 | 300 | 260 | 3 | 340 | 1,020 | 1,070 | 8 | φ17 | 655 | 642 | 200 |
| JBSW 4 30–60 | 4,000 | 3,000 | 4,052 | 3,675 | 3,450 | 275 | 60 | 300 | 260 | 3 | 340 | 1,020 | 1,070 | 8 | φ17 | 655 | 677 | 200 |
| JBSW 5 30–60 | 5,000 | 3,000 | 5,052 | 3,675 | 4,350 | 275 | 60 | 300 | 260 | 3 | 340 | 1,020 | 1,070 | 8 | φ17 | 655 | 777 | 200 |
| JBSW 2 30–125 | 2,000 | 3,000 | 2,052 | 3,675 | 1,550 | 275 | 125 | 300 | 260 | 3 | 340 | 1,020 | 1,070 | 8 | φ17 | 655 | 577 | 200 |
| JBSW 3 30–125 | 3,000 | 3,000 | 3,052 | 3,675 | 2,450 | 275 | 125 | 300 | 260 | 3 | 340 | 1,020 | 1,070 | 8 | φ17 | 655 | 677 | 250 |
| JBSW 4 30–125 | 4,000 | 3,000 | 4,052 | 3,675 | 3,450 | 300 | 125 | 300 | 260 | 3 | 340 | 1,020 | 1,070 | 8 | φ17 | 655 | 702 | 250 |
| JBSW 5 30–125 | 5,000 | 3,000 | 5,052 | 3,675 | 4,300 | 300 | 125 | 300 | 260 | 3 | 340 | 1,020 | 1,070 | 8 | φ17 | 655 | 807 | 250 |
| JBSW 2 30–250 | 2,000 | 3,000 | 2,052 | 3,675 | 1,550 | 300 | 250 | 300 | 260 | 3 | 340 | 1,020 | 1,070 | 8 | φ21 | 655 | 602 | 200 |
| JBSW 3 30–250 | 3,000 | 3,000 | 3,052 | 3,675 | 2,450 | 300 | 250 | 300 | 260 | 3 | 340 | 1,020 | 1,070 | 8 | φ21 | 655 | 702 | 200 |
| JBSW 4 30–250 | 4,000 | 3,000 | 4,057 | 4,040 | 3,400 | 310 | 250 | 300 | 260 | 4 | 340 | 1,360 | 1,420 | 10 | φ21 | 1,015 | 717 | 250 |
| JBSW 5 30–250 | 5,000 | 3,000 | 5,057 | 4,040 | 4,300 | 310 | 250 | 300 | 260 | 4 | 340 | 1,360 | 1,420 | 10 | φ21 | 1,015 | 817 | 250 |
| JBSW 2 30–490 | 2,000 | 3,000 | 4,095 | 3,900 | 1,200 | 310 | 490 | 300 | 460 | 3 | 340 | 1,020 | 1,070 | 8 | φ21 | 900 | 610 | 250 |
| JBSW 3 30–490 | 3,000 | 3,000 | 3,957 | 3,680 | 2,350 | 310 | 490 | 300 | 650 | 3 | 340 | 1,020 | 1,070 | 8 | φ21 | 658 | 767 | 250 |
| JBSW 4 30–490 | 4,000 | 3,000 | 4,057 | 4,040 | 3,400 | 310 | 490 | 300 | 800 | 3 | 340 | 1,360 | 1,420 | 10 | φ21 | 1,015 | 717 | 250 |
| JBSW 5 30–490 | 5,000 | 3,000 | 5,057 | 4,040 | 4,300 | 310 | 490 | 300 | 800 | 3 | 340 | 1,360 | 1,420 | 10 | φ21 | 1,015 | 817 | 250 |
















